Diodes ZXCT21x 전류 모니터는 50V/V, 75V/V, 100V/V, 200V/V, 500V/V 및 1000V/V의 6가지 고정 이득을 가집니다. 이 전류 모니터는 제로 드리프트 아키텍처를 사용하며 사후 트림 기술로 제조됩니다. 이 장치는 전체 온도 범위에서 정밀한 측정을 위한 낮은 오프셋 전압, 이득 드리프트 및 이득 오류를 달성합니다.
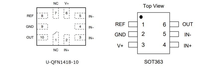
ZXCT21x은 최대 100μA 공급 전류를 제공하는 단일 2.7V~26V 전원 공급 장치에서 작동합니다. ZXCT21x의 작동 온도 범위는 -40°C~+125°C이며 SOT363 또는 U-QFN1418-10 패키지로 제공됩니다.
특징
- 2.7V~26V 공급 전압 범위
- -40°C~+125°C 온도 범위
- 넓은 -0.3V~26V 공통 모드 범위
- 10mV 풀 스케일의 션트 강하 지원
- 이득 오류(최대 과열)
- ±0.8% A 및 B 버전
- ±0.5% C 버전
- 낮은 ±30μV(최대) 오프셋 전압
- 100μA(최대) 대기 전류
- 낮은 10ppm/°C 최대 이득 오류 드리프트
- 레일-레일 출력 용량
- 이득 선택
- 200V/V의 경우 ZXCT210
- 500V/V의 경우 ZXCT211
- 1000V/V의 경우 ZXCT212
- ZXCT213의 경우 50V/V
- 100V/V의 경우 ZXCT214
- ZXCT215의 경우 75V/V
- 6핀 SOT363 및 10핀 U-QFN1418-10 패키지 옵션
- 완전 무연 및 RoHS 규격 완전 준수
- 무할로겐 및 무안티몬 '친환경' 장치
애플리케이션
- 노트북 컴퓨터
- 서버 팜
- 전기 통신
- 전류 감지(하이 사이드/로우 사이드)
- 배터리 충전 및 방전
- 고성능 비디오 카드
- 산업용 전원 공급 장치
- 계측기
- 제어 시스템
- 계량
일반 애플리케이션 회로
핀 할당
게시일: 2023-06-23
| 갱신일: 2023-07-11

