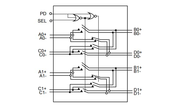
Diodes PI3DBS16222Q 2x2 교환 스위치 선택 제어 입력이 낮으면 포트 A는 포트 B에 연결되고 포트 C는 8 채널 차동 패스스루를 위해 포트 D에 연결됩니다. 또한, 선택 제어 입력이 높을 때 포트 A는 포트 D에 연결되고 포트 B는 포트 C에 연결됩니다.
특징
- 차동 채널 2x2 교환 스위치 4개
- 데이터 전송 속도 20Gbps 성능, PCI Express® 4.0, USB 4.0, USB 3.1 Gen 2, Thunderbolt™ 4, 10G BASE-KR의 애플리케이션 지원
- 낮은 혼선:
- 4.0GHz에서 -30dB
- 8.0GHz에서 -19dB
- 10GHz에서 -17dB
- 낮은 삽입 손실:
- 4.0GHz에서 -1.0dB
- 8.0GHz에서 -1.5dB
- 10GHz에서 -2.0dB
- 양방향 작동
- 10ps의 낮은 비트-비트 스큐
- 3.3V ± 10% VDD 작동 범위
- -40~105°C AEC-Q100 등급 2 자동차 온도 범위
- 습식 QFN 설계
- 완전 무연 및 RoHS 완전 준수
- 무할로겐 및 무안티몬, "친환경" 장치
- AEC-Q100 인증을 받았고 PPAP를 지원하며 IATF 16949 인증 시설에서 제조됨
- 30 접점, TQFN(ZL30), 2.5mm x 4.5mm 패키징(무연 및 친환경)
애플리케이션
- PCIe 4.0, USB 3.2 Gen 2, 10GE, Thunderbolt 4, SAS 3.0 및 SATA 3.0을 포함한 최대 20Gbps 애플리케이션
- 자동차
블록 선도
게시일: 2023-01-04
| 갱신일: 2023-01-10

