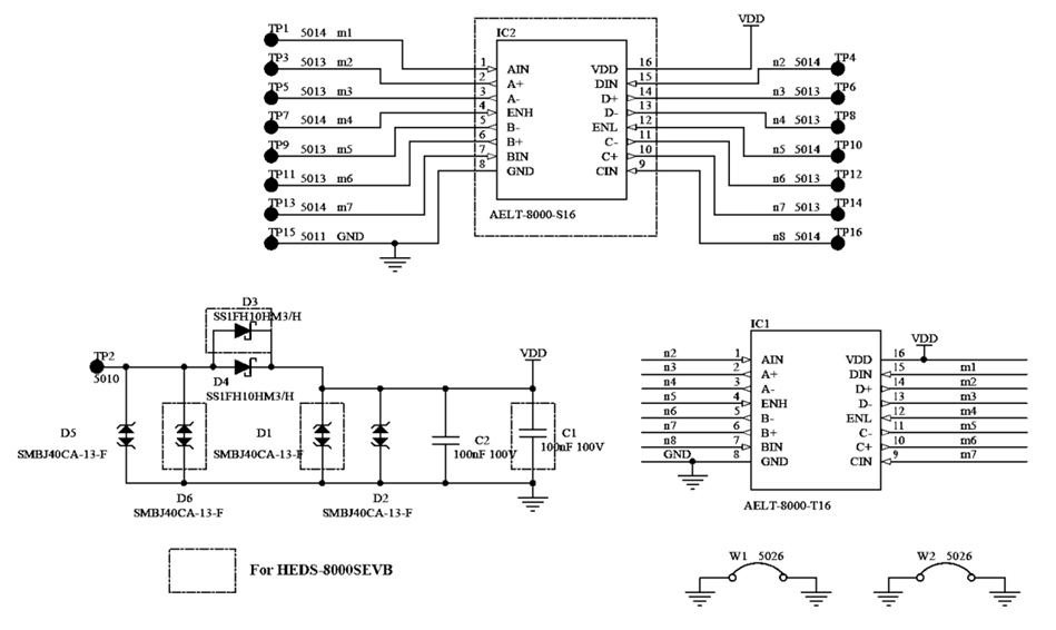
Broadcom HEDS-8000SEVB은 AELT-8000-S16 (SOIC-16) IC 구성품과 함께 장착됩니다. HEDS-8000TEVB은 AELT-8000-T16 (TSSOP-16) IC 구성품과 함께 장착됩니다.
특징
- 작동 주파수 최대: 5MHz
- 드라이버 공급 범위: 4.5V ~ 36V
- 26xx31, xx7272과 호환되는 핀
- 단락 방지 3상태 출력
- 80ns(표준) 낮은 전파 지연
- 고 임피던스 CMOS 호환 및 TTL 호환 버퍼 입력(히스테리시스 포함)
- 작동 온도 범위: -40 °C~+125 °C
- 과온도 보호 회로
- 부족 전압 모니터링
애플리케이션
- 5V ~ 36V 제어 시스템용 라인 드라이버
- 로터리 및 선형 엔코더 인터페이스
- 산업용 제어 장치
- 센서 시스템
보드 크기 mm
계통도
레이아웃
게시일: 2025-03-11
| 갱신일: 2025-03-17

