ACFL-3161 광커플러는 다양한 애플리케이션에서 SiC MOSFET 또는 IGBT를 직접 구동하기 위한 최적의 성능을 보장하도록 높은 피크 구동 전류 성능으로 설계되었습니다. 이 장치는 빠른 전파 지연 및 엄격한 데드타임 왜곡을 지원하므로 고주파에서 SiC MOSFET 및 IGBT를 구동하는데 이상적입니다.
특징
- -40~+125°C 산업 온도 범위
- 10A 피크 고출력 구동 전류
- 레일-레일 출력 전압
- 95ns 최대 전파 지연
- 35ns 최대 데드타임 왜곡
- 15~30V의 넓은 작동 공급 전압(VDD) 범위
- 히스테리시스를 이용한 UVLO(부족전압 록아웃)
- IDD = 최대 4mA의 낮은 공급 전류로 부트스트랩 하프 브리지 토폴로지 허용
- VCM = 1,000V에서 100kV/μs의 CMTI(공통 모드 과도 응답 내성)
- 높은 잡음 내성
- 입력 임피던스와 잡음 감도가 낮은 직접 LED 입력
- SO-12 패키지(8mm 연면 거리 및 간극)로 제공되는 단일 채널
- 규제 승인:
- 1분 동안 UL1577 5k Vrms
- CAN/CSA-C22.2 No. 62368-1
- IEC 60747-5-5VIORM = 1230VPEAK
애플리케이션
- 산업 자동화 및 로봇용 모터 구동 장치
- 전원 공급 장치 및 충전기
- 재생 에너지 인버터 및 저장 장치
비디오
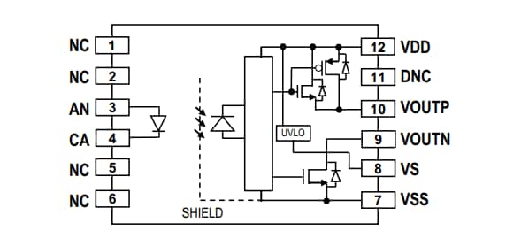
기능 선도
게시일: 2021-11-03
| 갱신일: 2022-10-25

