Bourns PER21 장기 수명 증분 링 인코더

Bourns PER21 장기 수명 증분 링 인코더는 5VDC에서 10mA의 정격 접촉 및 2비트 쿼드러처 코드 출력과 함께 21mm 패키지 직경을 제공합니다. PER21은 햅틱 디텐트 피드백, 스루홀 장착 스타일 및 고급 회전 느낌을 제공합니다. 이 PER21 장기 수명 증분 링 인코더는 작동 온도 범위가 -10~60°C입니다. 일반적으로 전문 오디오 장비, 저위험-중간 위험 의료 및 진단 장비, 소비자 백색 가전 및 산업 자동화 제어 장치에 사용됩니다.

특징

  • 로우 프로파일 증분 인코더
  • 높은 수준의 회전 느낌
  • 스루홀 장착 스타일
  • 햅틱 디텐트 피드백
  • RoHS 규격 준수

애플리케이션

  • 전문 오디오 장비
  • 전문 조명 콘솔
  • 소비자 백색 가전 제품
  • 저-중간 위험 의료 및 진단 장비
  • 테스트 및 측정 장비
  • 통신 장비
  • 실험실 장비
  • 산업 자동화 제어

사양

  • 50,000의 정격 회전 사이클
  • 60RPM 최대 회전 속도
  • 5VDC에서 10mA 정격 접촉
  • 2비트 쿼드러처 코드 출력
  • -10~+60°C 작동 온도 범위
  • -40~+85°C 보관 온도 범위

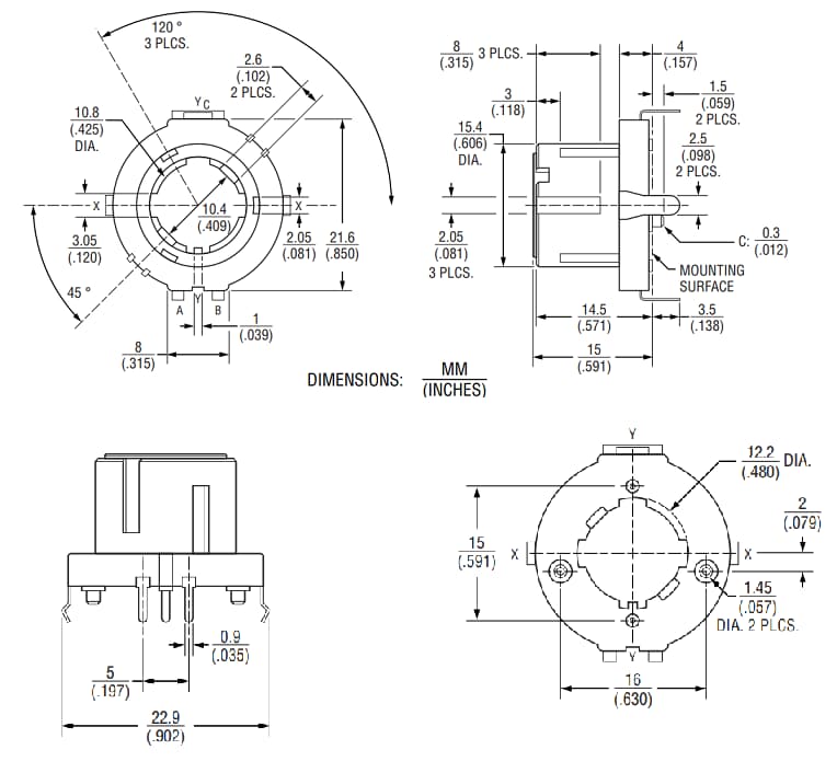
기계 도면

기계 도면 - Bourns PER21 장기 수명 증분 링 인코더
게시일: 2021-07-29 | 갱신일: 2022-03-11