Apex Microtechnology VRE102 Ultrastable ±10V Output Voltage Reference
Apex Microtechnology VRE102 Ultrastable ±10V Output Voltage Reference provides a ±1.0mV initial accuracy and a 1.09 ppm/°C temperature coefficient over the full military temperature range. A multipoint laser compensation technique improves accuracy. Other performance parameters, including initial accuracy, warm-up drift, line regulation, and long-term stability, have also been improved. These parameters make the Apex Microtechnology VRE102 an accurate and stable 10V reference.Features
- ±10V output, ±1.0mV very high accuracy
- 1.09ppm/°C (-55°C to +125°C) extremely low drift
- 1.0ppm typical low warm-up drift
- 6ppm/1000 hours typical excellent stability
- Excellent line regulation of –3ppm/V typical
- Hermetic 14-pin ceramic DIP
Applications
- Precision A/D and D/A converters
- Transducer excitation
- Accurate comparator threshold reference
- High-resolution servo systems
- Digital voltmeters
- High-precision test and measurement instruments
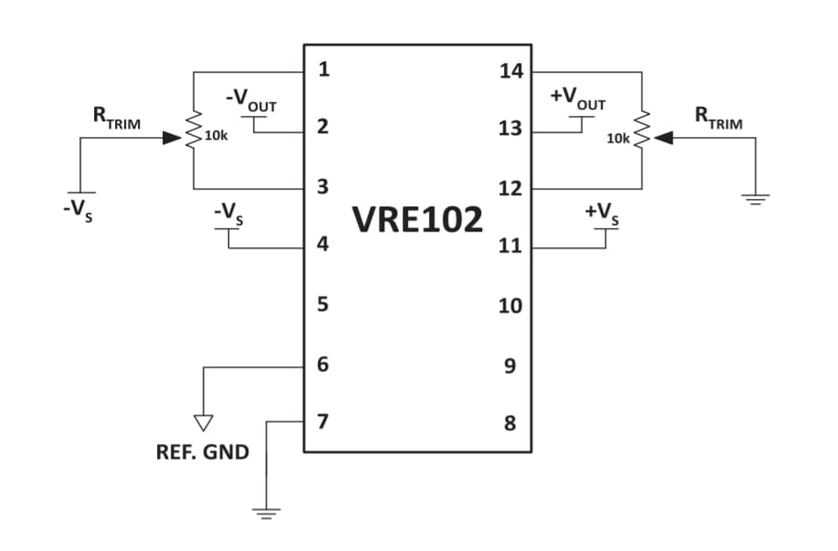
Typical Connection
게시일: 2020-08-24
| 갱신일: 2024-04-08
