Apex Microtechnology SWR200 Precision Sine Wave Reference
Apex Microtechnology SWR200 Precision Sine Wave Reference provides a stable +7.071V at ±0.5% sine wave output and a 20ppm/°C temperature coefficient over the full military temperature range. Extreme accuracy is achieved by a chopper-based AGC circuit. The temperature characteristic of the chopper circuit compensates for the typical nonlinearity of the internal DC Zener reference, resulting in a near-linear amplitude-temperature characteristic. The frequency of the Apex Microtechnology SWR200 is programmable with two external capacitors.Features
- +7.071VRMS, ±0.5% high accuracy
- 20ppm/°C (-55°C To +125°C) low drift
- 10ppm/1000 hours typical excellent stability
- 0.1% THD @ f = 3300Hz low distortion
- Military processing option
Applications
- Transducer excitation
- High-resolution servo systems
- High-precision test and measurement instruments
- AC voltage standard
- LVDT or RVDT reference
- Multiplying D/A reference
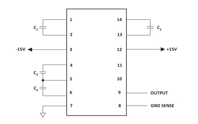
Typical Connection
게시일: 2020-08-24
| 갱신일: 2024-04-08
