Analog Devices / Maxim Integrated MAX77752 평가 키트

Maxim Integrated MAX77752 평가 키트는 고집적 MAX77752 PMIC을 시연하는데 사용됩니다.이 키트에는 전원 시퀀스, 돌입 전류, 개별 출력 온/오프 및 레귤레이터 출력 전압 설정을 제어하는 I2C 인터페이스가 내장된 MAXQ2000 마이크로컨트롤러 명령 모듈이 포함되어 있습니다.쉽게 평가할 수 있도록 MAX77752 평가 소프트웨어가 제공됩니다.

특징

  • USB-I2C 컨버터로 손쉬운 통신 가능
  • 레벨 변환기(MAX3395)를 통해 I2C 버스 전압을 1.8V~3.3V 범위로 조절 가능
  • 온보드 전자 장치 부하를 통해 쉽게 평가 가능
  • 벅 컨버터, LDO, LSW 및 SYS에 대한 정적/동적 부하 조정이 가능한 GUI
  • MOSFET을 외부 함수 생성기로 구동하여 각 레귤레이터의 과도 성능 평가 가능
  • 입증된 PCB 기준 설계 및 레이아웃
  • 완전 조립 및 테스트 완료

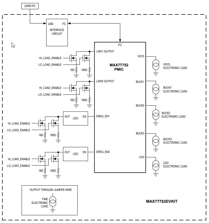
블록 선도

블록 선도 - Analog Devices / Maxim Integrated MAX77752 평가 키트
게시일: 2018-04-09 | 갱신일: 2023-04-12