MAX25530 소스 드라이버 전원 공급 장치는 최대 +18V 및 최저 -7V의 전압을 생성할 수 있는 동기식 부스트 컨버터와 인버팅 벅 부스트 컨버터로 구성됩니다. 포지티브 소스 드라이버는 최대 120mA를 제공할 수 있는 반면, 네거티브 소스 드라이버는 100mA를 제공할 수 있습니다.
모든 전력 도메인의 시동 및 셧다운 시퀀스는 SEQ 핀의 저항기 또는 I2C 인터페이스를 통해 선택 가능한 7가지 사전 설정 모드 중 하나를 사용하여 제어됩니다.
ADI MAX25530은 노출 패드가 있는 40핀(6mm x 6mm) TQFN 패키지로 제공되고 -40~+105°C의 주변 온도 범위에서 작동합니다.
특징
- 4 출력 TFT-LCD 바이어스 전원
- 2.8~5.5V TFT-LCD 섹션 입력 전압
- 통합 430kHz 또는 2.2MHz 부스트 및 벅 부스트 컨버터
- 포지티브 및 네거티브 10mA 게이트 전압
- 출력 전압을 조절 가능한 레귤레이터(트리플러/인버팅 더블러)
- SEQ 핀을 통해 유연한 저항기 프로그래밍 가능 시퀀싱
- 모든 출력에서 부족전압 감지
- 낮은 대기 전류 절전 모드
- 4 채널 LED 백라이트 드라이버
- 채널당 최대 150mA 전류
- 4.5~42V 입력 전압 범위
- 통합 부스트/SEPIC 컨트롤러(440kHz 또는 2.2MHz)
- 10,000:1 디밍 비율(200Hz)
- LED 전류 싱크에서 전력 손실을 줄이기 위한 적응형 전압 최적화
- 개방 스트링, 단락 LED 및 단락-접지 진단
- 낮은 EMI
- LED 스트링의 위상 이동 디밍
- LED 드라이버 및 TFT의 확산 스펙트럼
- 선택 가능한 스위칭 주파수
- 제어 및 진단을 위한 I2C 인터페이스
- FLTB 핀과 I2C를 통한 오류 표시
- 결함 감지 후 자동 재시도 가능
- 과부하 및 과열 보호
- -40~+105°C 주변 작동 온도
- 40핀(6mm x 6mm) TQFN 패키지(노출 패드 포함)
- AECQ100 등급 1
애플리케이션
- 자동차 대시보드
- 자동차용 중앙 정보 디스플레이
- 자동차 헤드업 디스플레이
- 자동차 내비게이션 시스템
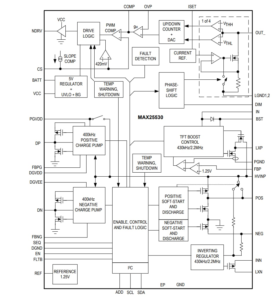
블록 선도
게시일: 2021-04-05
| 갱신일: 2023-04-13

