Analog Devices / Maxim Integrated MAX22506E 반이중 RS-485/RS-422 송수신기
Analog Devices MAX22506E 반이중 통신 RS-485/RS-422 송수신기는 최대 50Mbps의 고속 통신에 맞게 최적화되어 있습니다. 이 송수신기는 입력 신호가 10μs(일반) 이상 단락/개방될 때 수신기 출력에서 로직 하이를 보장하는 통합 핫 스왑 보호 기능과 페일 세이프 수신기를 갖추고 있습니다. MAX22506E 반이중 통신 RS-485/RS-422 송수신기는 잡음 제거 및 신호 무결성 향상을 위한 대형 수신기 히스테리시스를 제공합니다.이 송수신기는 -40~125° 온도 범위에서 작동하며 8핀 SOIC 및 8핀 μMAX 패키지로 제공됩니다. MAX22506E 송수신기는 혹독한 산업 환경에서 작동하도록 설계되었으며 높은 수준의 EMI(전자기 간섭)가 있는 환경에서 견고한 통신을 위해 최적화되었습니다. 일반적으로 모션 제어, 인코더 인터페이스, 필드 버스 네트워크, 산업용 제어 시스템 및 백플레인 버스에 사용됩니다.
특징
- 통합 보호 기능으로 견고성 향상:
- -15~+15V 공통 모드 범위
- ±15kV ESD 보호(인체 모델)
- ±7kV IEC 61000-4-2 공극 ESD 보호
- ±6kV IEC 61000-4-2 접촉 방전 ESD 보호
- ±4kV EFT 이상에 견딤
- 드라이버 출력부는 단락 보호됨
- 장거리에 걸쳐 고속 작동:
- 최대 50Mbps 데이터 속도
- 높은 수신기 감도
- 넓은 수신기 대역폭
- 대칭형 수신기 임계값
사양
- -65~150°C 보관 온도 범위
- 3~5.5V 공급 전압 범위
- -40 °C ~ 125 °C 작동 온도 범위
- 낮은 5μA(최대) 셧다운 전류
애플리케이션
- 모션 제어
- 인코더 인터페이스
- 필드 버스 네트워크
- 산업 제어 시스템
- 백플레인 버스
블록 선도
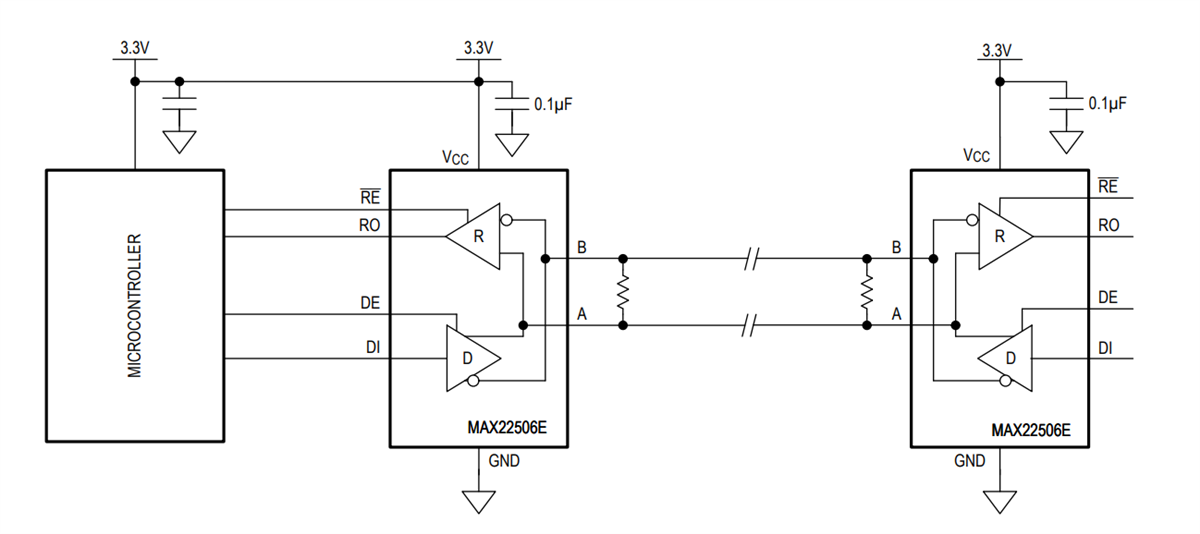
애플리케이션 회로도
게시일: 2021-03-30
| 갱신일: 2024-05-23
