Analog Devices / Maxim Integrated MAX22199EVKIT 평가 키트
Analog Devices MAX22199EVKIT 평가 키트는 MAX22199 8진수 산업용 디지털 입력을 평가하는 데 필요한 하드웨어 및 소프트웨어를 제공합니다. MAX22199 8진수 산업용 디지털 입력은 8개의 24V 전류 싱킹 산업용 입력을 3~5.5V 로직과 인터페이스하는 직렬화된 SPI 호환 출력으로 변환합니다. IEC 61131-2를 준수하는 산업용 디지털 입력 장치는 Type 1/Type 3 디지털 입력 8개 또는 Type 2 디지털 입력 4개로 작동합니다. Analog Devices MAX22199EVKIT 평가 키트는 USB 포트를 통해 PC로부터 명령을 수신하여 소프트웨어와 장착된 MAX22199 간의 통신을 위한 SPI 인터페이스를 생성합니다. 이 키트에는 MCU 또는 FPGA와 같은 외부 호스트 장치와의 SPI 통신을 위한 Pmod™ 호환 커넥터가 있습니다.GUI(그래픽 사용자 인터페이스)는 대상 장치와 PC 간의 통신을 제공합니다. MAX22199EVKIT는 각각 IEC 61000-4-2, IEC 61000-61000-4-4 및 IEC 61000-4-5에 따라 ESD, EFT 및 서지에 대한 과도 내성 테스트를 지원하도록 설계되었습니다.
특징
- MAX22199의 쉬운 평가
- 평가 키트 로직 측은 USB 전원으로 작동됨
- IEC 61131-2 Type 1, 3을 위해 구성됨
- MAX14483을 사용한 갈바닉 절연
- IEC 61000-4-2, IEC 61000-4-4 및 IEC 61000-4-5에 대한 과도 내성 테스트 지원
- 견고한 설계 ±2kV 서지 내성 라인-그라운드 및 라인-투-라인, ±8kV 접촉 ESD 및 필드 입력에서 ±15kV 공극 ESD
- Windows® 10 호환 소프트웨어
- 완전 조립 및 테스트 완료
- 입증된 PCB 레이아웃
- RoHS 준수
키트 구성품
- MAX22199EVKIT#, MAX22199ATJ+ 포함
- Micro-USB 케이블
필수 장비
- MAX22199 평가 키트
- 24V DC 전압 공급(또는 배럴 커넥터가 있는 24V AC-DC 어댑터)
- Micro-USB 케이블
- Windows 10, Windows 8,1, Windows 7, Window XP PC(예비 USB 포트 포함)
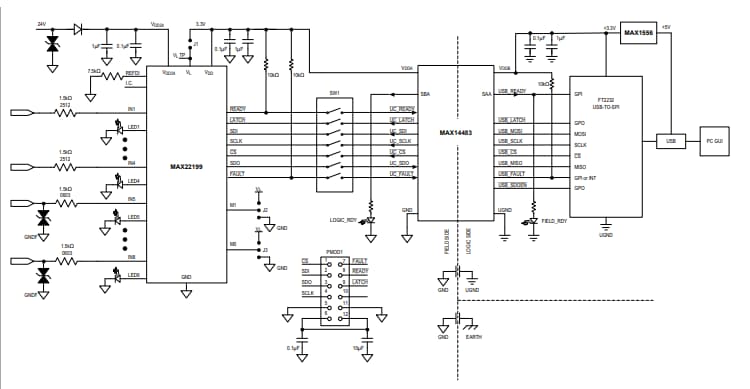
시스템 블록 선도
게시일: 2021-11-09
| 갱신일: 2023-04-17
