Analog Devices Inc. MAX20463EVKIT용 MAX20463 평가 키트
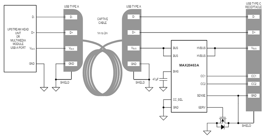
MAX20463용 Analog Devices MAX20463EVKIT 평가 키트는 자동차 애플리케이션용 MAX20463 USB Type-C™ 솔루션을 시연하는 데 사용됩니다. 이 키트는 기존 다운 스트림 페이싱 포트를 USB-A 커넥터에서 USB Type-C 커넥터로 변환하는 단일 칩 솔루션입니다. 이 장치는 USB Type-C 커넥터에서 볼 수 있는 새로운 구성 채널(CC) 핀을 제어하기 위한 통합 USB Type-C 인터페이스를 갖추고 있습니다.특징
- USB-C 3.0A, 1.5A로 구성 가능 충전 감지 모드
- 하이-사이드 USB 전력 보호 스위치
- 입증된 PCB 레이아웃
- 완전 조립 및 테스트 완료
애플리케이션
- 자동차용 다운스트림 USB 모듈
- 자동차 USB 캡티브-케이블 하우징
블록 선도
게시일: 2020-06-08
| 갱신일: 2024-05-31
