Analog Devices Inc. MAX17843 고전압 스마트 센서
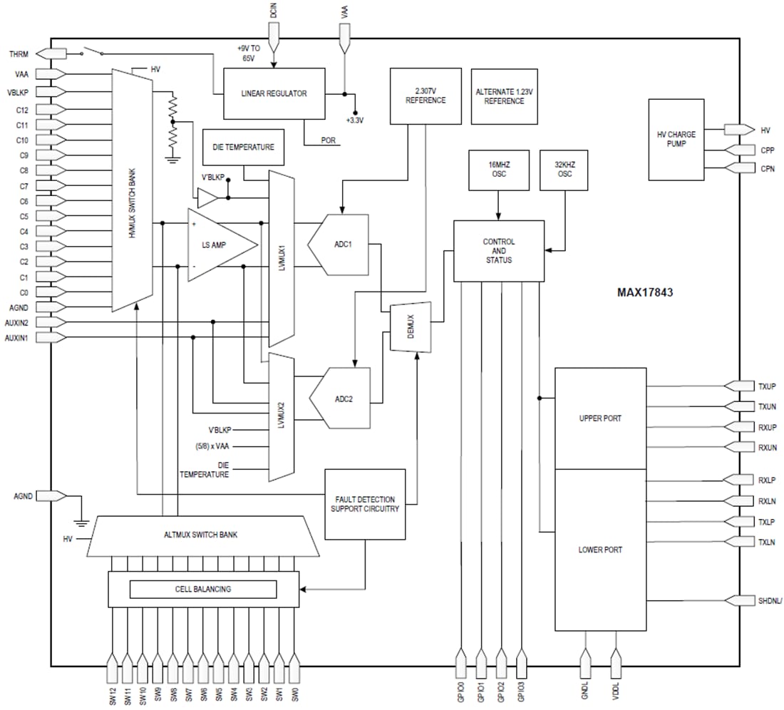
Analog Devices Inc. MAX17843 고전압 스마트 센서는 광범위한 안전 기능을 갖춘 프로그래밍 가능한 고집적, 고전압, 12채널 배터리 모니터링 스마트 데이터 수집 인터페이스입니다. 이 센서는 자동차 시스템, 하이브리드 전기 배터리 팩, 전기 자동차 및 금속 2차전지를 길게 직렬로 적층한 모든 시스템의 배터리와 함께 사용하도록 최적화 되었습니다 이 고집적 배터리 센서에는 견고한 데이지 체인 직렬 통신을 위한 고속 차동 UART 버스가 통합되어 있습니다.아날로그 프런트 엔드는 12채널 전압 측정 데이터 수집 시스템을 고전압 스위치 뱅크 입력과 결합한 제품입니다. 각 셀에서 모든 측정 작업이 다르게 이루어집니다. 풀 스케일 측정 범위는 0V~5.0V이며 사용 가능한 범위는 0.2V~4.8V입니다. 고속 SAR(연속 근사) A/D 컨버터는 오버샘플링 기능이 있는 14비트 분해능으로 셀 전압을 디지털화하는데 사용됩니다. 12개의 셀은 모두 142µs 이내에 측정이 가능합니다. MAX17843은 셀 측정 데이터를 수집하고 오류를 수정하기 위해 2-scan 접근 방식을 사용합니다. 이 2상 접근 방식은 온도 및 시스템의 극심한 소음에도 탁월한 정확도를 제공합니다.
MAX17843에는 외부 서미스터 구성 요소를 측정하는데 사용할 수 있는 보조 아날로그 입력 장치가 2개 있습니다. NTC(Negative Temperature Coefficient) 서미스터를 보조 아날로그 입력으로 구성하여 모듈 또는 배터리 셀 온도를 정확하게 모니터링할 수 있습니다. 열 과부하 감지기는 IC를 보호하기 위해 MAX17843의 선형 레귤레이터를 비활성화하고 다이 온도 측정 기능도 제공합니다.
특징
- 리튬-이온 , NiMH 또는 슈퍼 커패시터 셀을 위한 12-셀 배터리 전압 측정
- NTC 서미스터 또는 절대 전압 측정을 위한 보조 아날로그 입력 2개
- 다이 온도 측정 및 경고
- 고정확도 차동 측정 I/O
- 정확도: +25°C 및 3.6V에서 ±2mV
- 12채널 데이터 수집 시스템 통합
- ADC에 대한 차동 고전압 Mux
- 오버 샘플링을 포함한 14비트 ADC 분해능
- 142μs 이내에 측정되는 셀 전압 12개
- 모듈 전압 측정
- 중복 ADC
- 배터리 오류 감지
- 과전압 및 부족 전압 디지털 임계값 감지
- ASIL 및 FMEA를 지원하기 위한 오류 감지를 위한 향상된 진단 기능
- 내부 셀 밸런싱 스위치 12개
- 스위치 당 최대 150mA까지 지원
- 비상 셀 방전 모드
- 9~65V 입력 선형 레귤레이터 통합
- 온도 보상, 전압 기준 장치 통합
- 견고한 차동 데이지 체인 UART 인터페이스
- 단일 데이지 체인에서 최대 32개까지의 연결된 IC 지원
- 직접 MCU 연결과 호환
- 최대 2Mb/s의 표준 UART 바이트
- 범용 디지털 I/O 라인 4개
- ASIL D 및 FMEA 요구 사항을 지원하기 위한 내장형 진단 기능
- 초저전력 손실
- 대기 모드 공급 전류: 2.0mA (표준)
- 3µA의 셧다운 모드 누설 전류
- 작동 온도 등급: -40~+125°C(AEC-Q100 1등급)
- 64핀, 무연/RoHS 규격 준수, 10mm x 10mm LQFP 패키지
애플리케이션
- 48V 차량 배터리 모듈 또는 시스템
- 배터리 팩
- 전기 자전거
- 고전력 배터리 백업 시스템
- 고전압 전기차(EVS)
- 하이브리드 전기차(HEV)
- 전동 공구
- 슈퍼 커패시터 백업 시스템
비디오
기능 블록 선도
설계 솔루션
게시일: 2020-01-10
| 갱신일: 2024-04-16
