Analog Devices / Maxim Integrated MAX17631 동기식 강압 DC-DC 컨버터
Maxim MAX17631 동기식 강압 DC-DC 컨버터는 집적 MOSFET와 함께 제공되며 4.5~36V의 입력 전압 범위에서 작동합니다. 최대 1.5A 전류를 공급할 수 있습니다. MAX17631은 MAX17631A, MAX17631B 및 MAX17631C의 세 가지 변종 제품으로 제공됩니다. MAX17631A 및 MAX17631B는 각각 고정 3.3V 및 고정 5V 출력 부품입니다. MAX17631C는 조절 가능한 출력 전압(0.9V~90%의 VIN 제공) 부품입니다. 출력 전압 범위에서 내장형 보 기능 덕분에 외부 보정 구성 요소가 필요하지 않습니다.MAX17631에는 피크 전류 모드 제어 아키텍처가 포함되어 있습니다. 이 장치는 강제 펄스폭 변조(PWM), 펄스 주파수 변조(PFM) 또는 불연속 전도 모드(DCM)로 작동되어 전부하 및 경부하 조건에서 높은 효율을 구현할 수 있습니다. MAX17631은 높은 스위칭 주파수와 더 작은 솔루션 크기를 허용하는 최소 온 타임 특징을 제공합니다. MAX17631A/MAX17631B/MAX17631C의 경우 -40~+125°C 이상의 피드백 전압 레귤레이션 정확도는 ±1.2%입니다.
특징
- 외부 구성 요소 수 감소 및 총 비용 절감
- 쇼트키 없음 - 동기식 작동
- 내부 보상 구성 요소
- 모든 세라믹 커패시터, 콤팩트한 레이아웃
- DC-DC 레귤레이터의 수를 재고 수량까지 감소
- 넓은 입력 전압 범위: 4.5~36V
- 0.9V에서 VIN의 90%까지 조절 가능한 출력 전압 범위
- 온도 범위에서 최대 1.5A 전달
- 외부 클록 동기화 기능이 있는 400kHz~2.2MHz의 조절 가능 주파수
- 16핀 3mm x 3mm TQFN 패키지로 제공 가능
- 전력 손실 감소
- 피크 효율: 95%
- 향상된 경부하 효율을 구현하는 PFM 및 DCM 모드
- 효율 향상을 위한 보조 부트스트랩 공급(EXTVCC)
- 셧다운 전류: 2.8µA
- 혹독한 산업 환경에서 신뢰성 있는 작동
- 히컵 모드 과부하 보호
- 사전 바이어스 출력 전압으로 조절 가능한 단조 스타트업
- 재설정 기능이 있는 내장형 출력 전압 모니터링
- 프로그래밍 가능 EN/UVLO 임계값
- 과열 보호
- 높은 산업용 주변 작동 온도 범위(-40~+125°C)/접합 온도 범위(-40~+150°C)
애플리케이션
- 산업용 제어 전원 공급 장치
- 범용 PoL(Point-of-Load)
- 분산 공급 조정
- 기지국 전원 공급 장치
- 벽면 변압기 레귤레이션
- 고전압 단일 보드 시스템
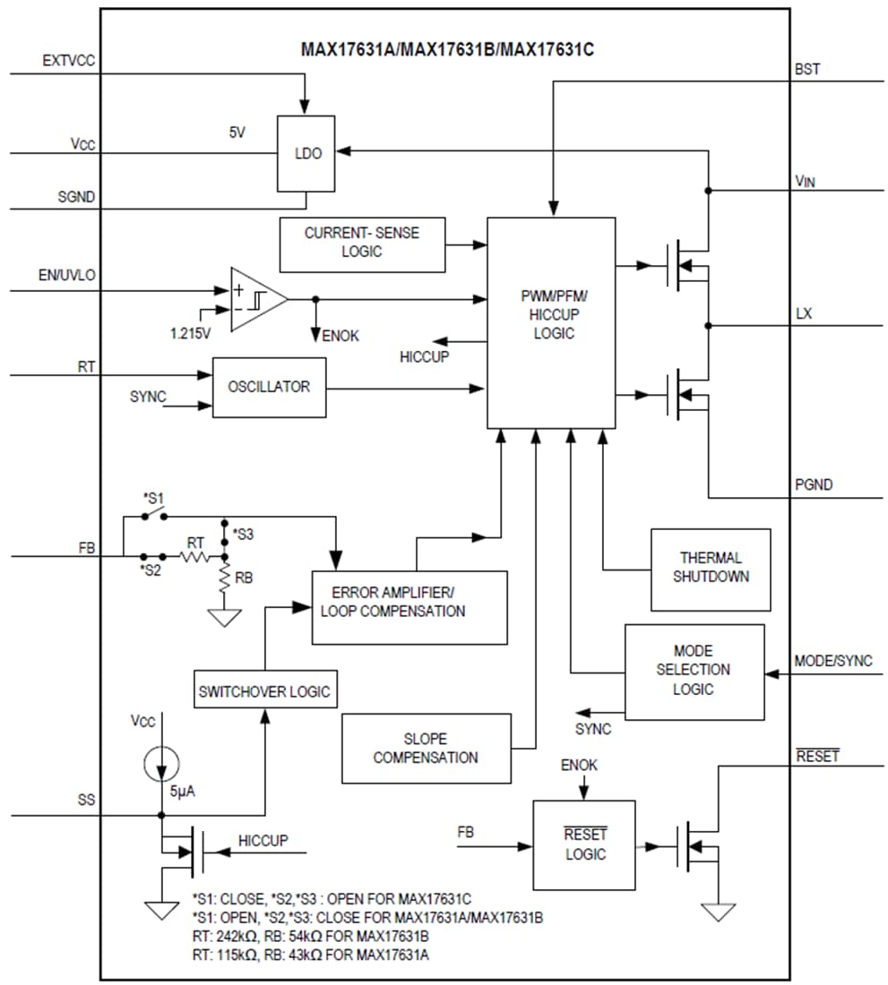
기능 선도
게시일: 2019-12-03
| 갱신일: 2023-05-05
