Analog Devices / Maxim Integrated MAX14430/MAX14431/MAX14432 디지털 아이솔레이터
Maxim Integrated MAX14430/MAX14431/MAX14432 디지털 아이솔레이터는 4채널 고속, 저전력 디지털 갈바닉 아이솔레이터로, 60초 동안 3.75kVRMS의 절연 등급을 제공합니다. MAX14430/MAX14431/MAX14432는 파워 도메인이 서로 다른 회로 간에 디지털 신호를 전송합니다. 채널당 0.58mW 미만을 사용할 때 1Mbps에서 1.8V 전원 공급 장치로 전송이 이루어집니다.특징
- 고속 디지털 신호에 대한 견고한 갈바닉 절연
- 최대 200Mbps의 데이터 속도
- 60초 동안 3.75kVRMS에 견딤(VISO)
- 445VRMS(VIOWM)를 연속적으로 견딤
- 1.2/50μs 파형의 GNDA 및 GNDB 사이에서 ±10kV 서지 내전압
- 높은 CMTI(표준 50kV/μs)
- 낮은 소비전력
- 1Mbps에서 채널당 1.1mW(VDD = 3.3V)
- 100Mbps에서 채널당 3.5mW(VDD = 1.8V)
- 다양한 애플리케이션을 지원하는 옵션
- 2가지 데이터 전송 속도(25Mbps, 200Mbps)
- 3가지 채널 방향 구성
- 2가지 출력 기본 상태(높음/낮음)
애플리케이션
- 절연형 SPI 인터페이스
- 필드 버스 통신 산업 자동화
- 절연형 RS-485/RS-422, CAN
- 배터리 관리
- 의료 시스템
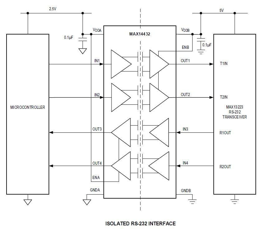
일반 애플리케이션 회로
게시일: 2018-03-26
| 갱신일: 2023-04-13
