Analog Devices / Maxim Integrated MAX20331 평가 키트

Maxim Integrated MAX20331 평가 키트는 오디오 라인 장치의 MAX20331 고전압 과전압 보호기(OVP)를 시연하는 완전 조립 및 시험을 거친 회로 보드입니다. 이 평가 키트는 MAX20331EWL+와 함께 제공되며 MAX20331A 평가에도 사용할 수 있습니다. MAX20331 평가 키트는 MAX20331 오디오 라인 과전압 보호기를 시연하며, 9 범프 WLP(Wafer-Level Package)로 제공됩니다.

특징

  • 3.5mm 잭 오디오 라인 보호
  • 입증된 PCB 레이아웃
  • 완전 조립 및 테스트 완료
  • MAX20331EWL+ 포함

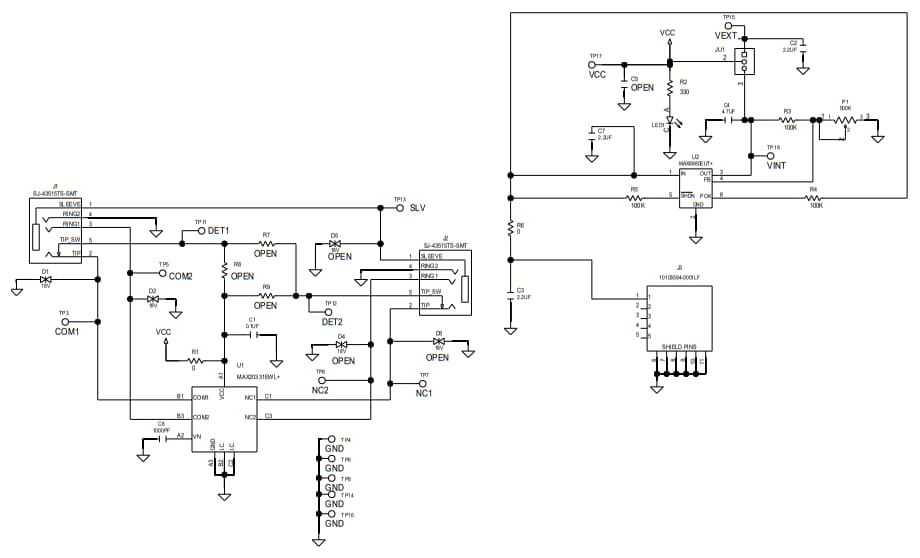
MAX20331 평가 키트 계통도

계통도 - Analog Devices / Maxim Integrated MAX20331 평가 키트
게시일: 2018-10-08 | 갱신일: 2023-04-24