Analog Devices / Maxim Integrated MAXM17225 nanoPower 부스트 모듈
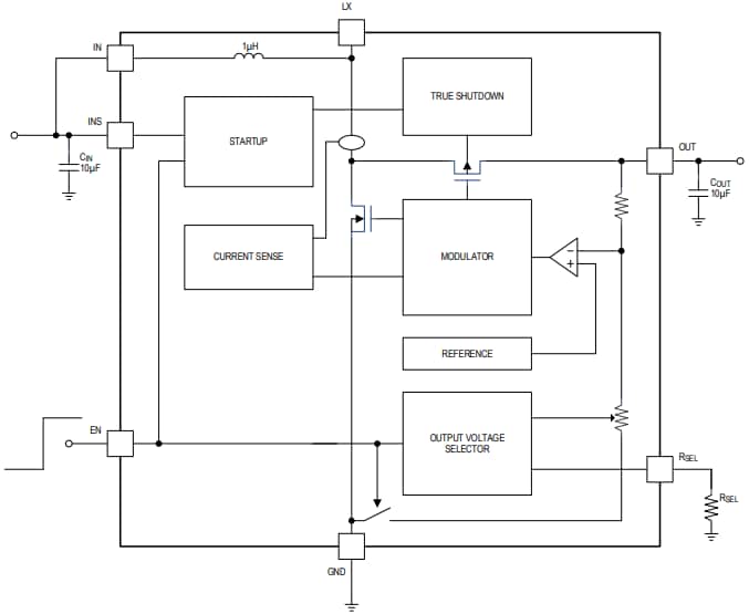
Analog Devices MAXM17225 nanoPower 부스트 모듈은 소형 eMGA 패키지에서 배터리 수명을 연장하고 제품 수명을 늘려주는 초저IQ(300nA)를 제공합니다. MAXM17225는 0.88V의 낮은 전압에서도 기동할 수 있으며, 기동 후에는 입력 전압 VIN이 0.4V까지 낮아질 수 있습니다. 이러한 전압은 시간이 지남에 따라 전압이 방전되는 배터리 작동식 장치에 이상적입니다. ADI MAXM17225는 0.4V~5.5V의 입력 전압을 수용하고 1.8V~5V의 프로그래밍 가능 출력 전압으로 이를 부스트합니다. 출력 전압은 단일 외부 저항기(RSEL)를 사용하여 설정됩니다. MAXM17225의 최대 효율은 95%입니다. 이 모듈은 공간 제약이 있는 외함에서 승압 변환이 필요하면서도 높은 효율을 요구하는 배터리 작동식 장치 및 휴대용 전자 장치와 같은 애플리케이션에 이상적입니다. 실제 셧다운 기능은 출력에서 입력부를 분리하여 배터리 수명을 절약합니다.특징
- 배터리 수명 연장
- 초저 전류: 300nA
- 0.5nA 셧다운 전류
- 피크 효율: 95%
- 트루 셧다운
- 입력에서 출력 분리
- VIN, VOUT에서 순방향/역전류 0
- 강력한 성능 특징:
- 내부 전류 제한
- 통합 소프트 스타트
- 경부하 작동 시 더 높은 효율을 위한 PFM 제어 방식
- 사용하기 쉬운 어드레스 대중적인 작동
- VIN이 5.5V에서 0.4V까지
- 최소 시동 전압: 0.88V
- 1.8~5V 범위에서 단일 저항기로 조정 가능한 VOUT
- 100mV 단위로 설정 가능한 VOUT 선택 분해능
- 1A 피크 인덕터 전류 제한
- 크기 감소 및 신뢰성 향상
- 2.1mm x 2.6mm, 10-리드 eMGA 패키지
- 작동 온도 범위: -40~+125°C
애플리케이션
- 건강 모니터링 및 피트니스 장치
- 초저전력 IoT 모듈
- BLUETOOTH® LE 장치
- 웨어러블 장치
- 휴대용 POS(Point-of-Sale) 단자
- USB 온더고 어댑터 모듈, USB 충전
- RTC/ 알람 버저를 위한 슈퍼 커패시터 백업
- 단일 또는 이중 셀 알카라인 배터리 제품
비디오
단순 블록 선도
일반 애플리케이션 회로
게시일: 2024-05-02
| 갱신일: 2025-08-14
