Analog Devices / Maxim Integrated MAX38647B WLP 평가 키트
Analog Devices Inc. MAX38647B WLP 평가 키트(MAX38647BEVKIT)는 WLP(웨이퍼 레벨 패키지)에서 MAX38647B IC를 평가합니다. 소형 MAX38647B는 1.8~5.5V 입력 범위, 440nA IQ, 및 4레벨 VSEL을 갖춘 175mA nanoPower 강압 컨버터를 특징으로 합니다. MAX38647BEVKIT는 0.5~1.8V 저항기 구성 가능 출력 전압을 제공합니다. MAX38647B는 2개의 전압 선택(VSEL) 핀을 사용하여 동적으로 전압을 조절할 수 있습니다. 완전한 조립 및 테스트를 거친 Analog Devices Inc. MAX38647B WLP 평가 키트는 최대 175mA의 출력 전류를 제공하며, MAX38647BANA+가 설치된 상태로 제공됩니다.특징
- (1.82mm x 0.89mm, 0.4mm 피치) 8범프 WLP 패키지에서 MAX38647B IC 평가
- 1.8~5.5V 입력 전압 범위
- 0.5~1.8V로 구성 가능한 출력 전압
- 최대 175mA 출력 전류
- 입증된 2레이어 1온스 구리 PCB 레이아웃
- 콤팩트한 솔루션 크기 시연
- 완전 조립 및 테스트 완료
필수 장비
- MAX38647B WLP EV 키트 1개
- 5.5V, 3A DC 전원 공급 장치
- 175mA 전류를 싱크할 수 있는 부하
- DVM(디지털 전압계)
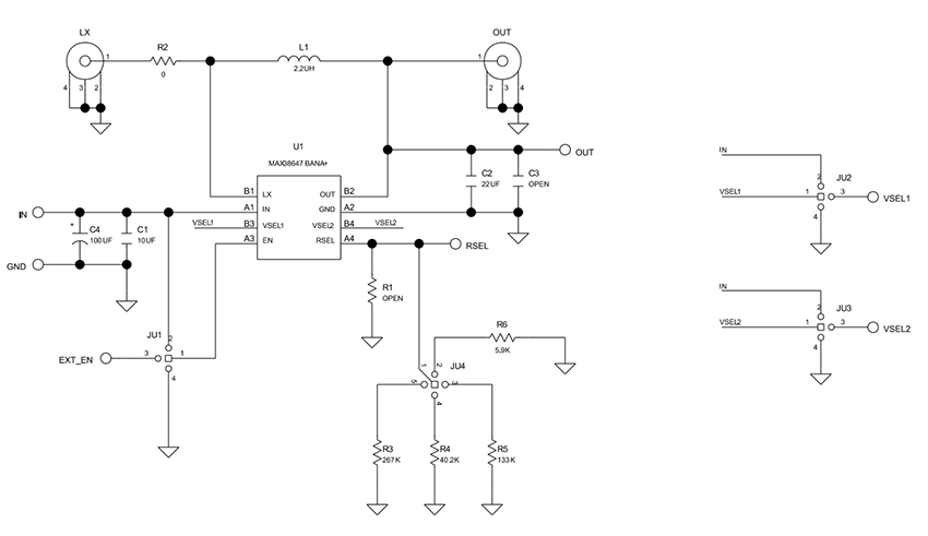
계통도
개요
추가 리소스
게시일: 2023-06-15
| 갱신일: 2023-07-05
