Analog Devices Inc. LTM2985 디지털 온도 측정 시스템
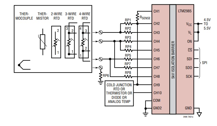
Analog Devices Inc. LTM2985 절연 고정밀 디지털 온도 측정 시스템은 다양한 온도 센서를 측정하고 결과를 °C 또는 °F 단위로 0.1°C 정확도 및 0.001°C 분해능으로 디지털 출력합니다. LTM2985는 거의 모든 표준(유형 B, E, J, K, N, S, R, T) 또는 맞춤형 열전대 온도를 측정합니다. 이 장치는 차가운 접합 온도를 자동으로 보정하고 결과를 선형화합니다. 또한 LTM2985 디지털 온도 측정 시스템은 표준 2선, 3선 또는 4선 RTD, 서미스터 및 다이오드를 사용하여 온도를 측정합니다.LTM2985에는 개별적인 유형의 온도 센서에 적합한 여자 전류 소스 및 고장 감지 회로가 특징입니다.
LTM2985는 LTC2986-1과 호환되는 절연 10채널 온도 측정 시스템 소프트웨어를 제공합니다. 정밀 온도-비트 변환기에 5kV 절연 전력 및 SPI 인터페이스를 제공합니다. LTM2985는 맞춤형 센서 데이터를 위해 사용자 프로그래밍 가능한 EEPROM을 통합합니다.
특징
- 5,000Vrms 절연 전력 및 SPI 인터페이스
- 2선, 3선 또는 4선 RTD, 열전대, 서미스터 및 다이오드를 직접 디지털화합니다.
- 10개의 유연한 입력으로 센서 교체 가능
- 자동 열전대 냉접점 온도 보상
- 열전대, RTD, 서미스터에 대한 내장형 표준 및 사용자 프로그래밍 가능 상관 계수
- 자동 번아웃, 단락 및 결함 감지
- 버퍼링된 입력을 통해 외부 보호
- 동시 50Hz/60Hz 거부
- 15ppm/°C(최대) 기준 포함
- 특수 보호 모드 포함
- 칩내장 EEPROM은 채널 구성 데이터 및 맞춤형 계수를 저장합니다.
애플리케이션
- 직접 열전대 측정
- 직접 RTD 측정
- 직접 서미스터 측정
- 맞춤형 센서 애플리케이션
일반 애플리케이션
표준 온도 오차 기여
게시일: 2022-01-13
| 갱신일: 2022-03-11
