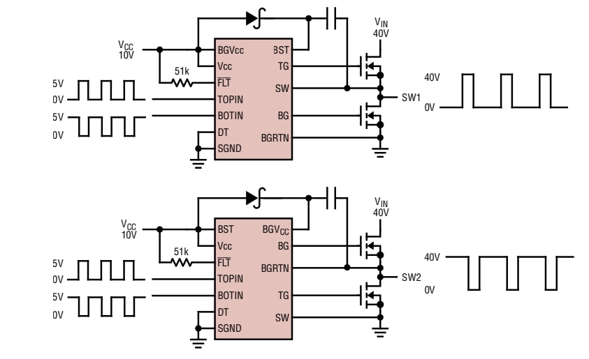
ADI LTC7061 100V 하프 브리지 드라이버는 대형 게이트 정전용량 고전압 MOSFET을 허용하는 강력한 0.8Ω 풀다운 및 1.5Ω 풀업 MOSFET 드라이버를 제공합니다. 추가적인 특징으로 UVLO, TTL/CMOS 호환 입력, 조절 가능한 턴 온/오프 지연 및 슛스루 보호 기능을 들 수 있습니다.
특징
- 고유한 대칭 플로팅 게이트 드라이버 아키텍처
- 높은 잡음 내성, ±10V 접지 차이 허용
- 100V 최대 입력 전압(IC 공급 전압와 독립)(VCC)
- 5~14V 작동 전압(VCC)
- 4~14V 게이트 드라이버 전압
- 0.8Ω 풀다운, 1.5Ω 풀업(신속한 켜기/끄기 가능)
- 적응형 슛스루 보호
- 조절 가능한 데드타임
- TTL/CMOS 호환 입력
- VCC UVLO/OVLO 및 플로팅 공급 장치 UVLO
- 듀얼 N-채널 MOSFET 구동
- 오픈 드레인 오류 표시기 (VCC UVLO/OVLO, 게이트 드라이버 UVLO 및 열 셧다운)
- 열 성능이 향상된 12리드 MSOP로 제공
- AEC-Q100 자동차 인증 진행 중
애플리케이션
- 자동차 및 산업용 전력 공급 시스템
- 전기통신 전력 시스템
- 하프 브리지 및 풀 브리지 컨버터
일반 애플리케이션
게시일: 2021-03-16
| 갱신일: 2022-03-11

