Analog Devices Inc. LTC6115 하이 측 전류 및 전압 감지
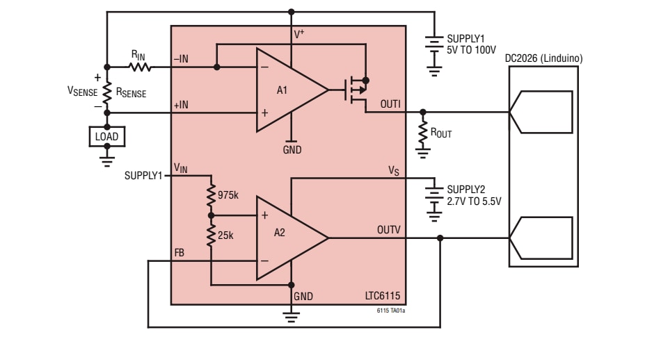
Analog Devices Inc. LTC6115 하이 측 전류 및 전압 감지 장치는 우수한 장치 특성과 함께 설계 유연성을 제공하는 고전압, 하이 측 전류 감지 증폭기, 전압 감지 증폭기의 다용도 조합입니다. LTC6115는 전류 감지를 위한 최대 오프셋 전압이 ±500µV이고 전압 감지 총 이득 오차는 최대 ±0.15%입니다. LTC6115는 외부 감지 저항기를 통과하는 전압을 감지하여 전류를 모니터링합니다. 감지된 전압은 출력 전류로 변환된 다음에 외부 저항기 ROUT에 의해 전압으로 변환됩니다. 이 장치는 빠른 응답 시간 덕분에 부하 전류 경고 및 차단 보호 제어용으로 선택하기에 완벽합니다.LTC6115는 포함된 내부 1MΩ 저항 분배기와 정밀 전압 증폭기를 사용한 정확한 전압 모니터링에 이상적입니다. 증폭기의 레일-레일 출력을 최대한 사용하는 것은 풀 스케일 출력 전압의 결과이며, 이는 외부 이득 저항기로 구성 가능합니다. 40의 저항 감쇠를 통해 VIN 핀에서 최대 100V를 감지할 수 있습니다. 이 장치는 텔레콤, 산업 및 자동차 애플리케이션에서 정밀 고전압 모니터링에 적합합니다. LTC6115 하이 측 전류 및 전압 감지 장치는 12-리드 MSOP 패키지로 제공됩니다.
특징
- 전류 감지
- 공급 전압 범위: 5~100V
- 낮은 오프셋 전압: ±500µV(최대)
- 응답 시간: 1µs
- 2개의 저항기로 구성 가능한 이득
- 낮은 입력 바이어스 전류: 170nA(최대)
- PSRR: 118dB(최소)
- 낮은 공급 전류: 250µA
- 전압 감지
- 전압 감지 범위: 0~100V
- 정밀 1MΩ 저항 분배기
- 낮은 총 이득 오차: ±0.15%(최대)
- 공급 전압 범위: 2.7~5.5V
- 낮은 공급 전류: 57µA
- 작동 온도 범위: -40~125°C
애플리케이션
- 전류 션트 측정
- 배터리 모니터링
- 전력 관리
- 자동차용 감지 및 제어
- 산업용 모니터링
일반 애플리케이션
블록 선도
비디오
게시일: 2019-04-03
| 갱신일: 2023-08-25
