특징
- 주파수 범위:
- 40MHz~10GHz(LTC5582)
- 40MHz~6GHz(LTC5583)
- 100MHz~40GHz(LTC5596)
- 선형 동적 범위:
- 최대 57dB(LTC5582)
- 최대 60dB(LTC5583)
- 35dB(LTC5596)
- 높은 파고율 변조 파형의 정확한 RMS 전력 측정
- 높은 정확도
- ±0.5dB(표준) 온도 정확도(LTC5582 및 LTC5583)
- ±1dB(LTC5596)
- 동적 범위에서 낮은 선형 오류(LTC5582)
- 단일 종단 RF 입력 장치(LTC5583) 사용 시 2GHz에서 40dB 채널 간 절연 효과 제공
- 매칭 이중 채널 출력: 1.25dB 미만(표준)(LTC5583)
- 단일 종단 또는 차동 RF 입력 장치(LTC5582)
- 단일 종단 RF 입력 장치 - 변압기 필요 없음(LTC5583)
- 차동 출력 장치가 VSWR 측정(LTC5583) 기능 제공
- 빠른 엔벨로프 감지기 출력(LTC5583)
- 29mV/dB 대수 경사(LTC5596)
- 200MHz~30GHz(LTC5596) 범위에서 ±1dB 빠른 응답
- 빠른 반응 속도:
- 90ns 상승 시간(LTC5583)
- 140ns 상승 시간(LTC5583)
- 낮은 공급 전류:
- 3.3V에서 41.6mA(표준)(LTC5582)
- 3.3V에서 30mA(표준)(LTC5596)
- 콤팩트한 패키지
- 3mm×3mm DFN 패키지(LTC5582)
- 4mm×4mm QFN24 패키지(LTC5583)
- 2mm×2mm QFN24 패키지(LTC5596)
애플리케이션
- LTC5582
- PA 전력 제어
- RMS 전력 측정
- 수신 및 송신 이득 제어
- 포인트 투 포인트 마이크로파 링크
- RF 계측
- LTE, WiMAX, W-CDMA, CDMA2K, TD-SCDMA, EDGE 기지국
- LTC5583
- VSWR 모니터
- MIMO 송신 전력 제어
- 기지국 PA 제어
- RF 계측
- 송신 및 수신 이득 제어
- LTC5596
- RF PA 송신 전력 제어
- RMS 전력 측정
- 수신 및 송신 이득 제어
- 포인트 투 포인트 마이크로파 링크
- LTE, WiFi, WiMAX 무선 네트워크
- 계측 및 측정 장비
- 군사용 무전기
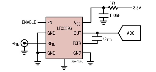
LTC5596 일반 애플리케이션
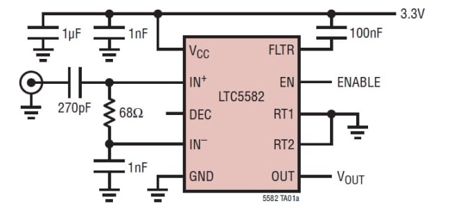
LTC5582 일반 애플리케이션
LTC5583 블록 선도
Power by Linear
게시일: 2017-05-11
| 갱신일: 2022-03-25

