Analog Devices Inc. LTC3260 인버팅 충전 펌프 컨버터
Linear Technology/Analog Devices LTC3260 이중 공급 인버팅 충전 펌프 컨버터는 저잡음, DC/DC 컨버터로서 양극 출력 전원 공급 장치가 있습니다. LTC3260은 각각 최대 50mA의 출력 전류를 공급할 수 있는 양성 및 음성 저드롭아웃(LDO) 레귤레이터가 특징입니다. 이러한 설계 장치 덕분에, LTC3260는 4.5V~32V 입력 전압 범위에서 최대 100mA 출력을 제공할 수 있습니다. 설계자는 외부 레지스터 분배기를 사용하여 양성 및 음성 LDO 출력 전압을 각각 1.2V 및 -1.2V 미만으로 조절할 수 있습니다.내부 충전 펌프는 낮은 대기 전류 버스트 모드 또는 저잡음 정주파수 모드 중 하나로 작동합니다. 버스트 모드로 작동할 경우, 충전 펌프가 -0.94 VIN까지 조정하고 두 LDO 레귤레이터가 활성화된 상태에서 100μA의 과도 전류만 소모합니다. 정주파수 모드로 작동할 경우, 충전 펌프가 -VIN에 상응하는 출력을 생성합니다. 정주파수 모드에서, LTC3260은 외부 레지스터를 사용하여 고정 500kHz 주파수 또는 50kHz~500kHz 사이의 프로그래밍된 값에서 작동합니다.
특징
- VIN 범위: 4.5V~32V
- 인버팅 충전 펌프는 -VIN을 생성함
- 최대 100mA의 충전 펌프 출력 전류
- 저잡음 음성 LDO 포스트 레귤레이터(ILDO = 최대 50mA)
- 저잡음 독립 양성 LDO 레귤레이터(ILDO = 최대 50mA)
- 50kHz~500kHz 프로그램 가능 발진기 주파수
- 버스트 모드 작동에서 100μA의 대기 전류(두 LDO 레귤레이터 작동 시)
- 세라믹 커패시터를 사용하여 안정화
- 단락/과열 보호
- 로우 프로파일 3mm x 4mm 14핀 DFN 및 열 성능이 향상된 16핀 MSOP 패키지
애플리케이션
- 저잡음 양극/인버팅 전원 공급 장치
- 산업/계측용 저잡음 바이어스 발생기
- 휴대용 의료 기기
- 휴대용 기기
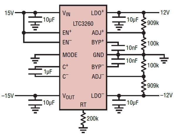
LTC3260 일반 애플리케이션
게시일: 2017-05-04
| 갱신일: 2022-03-24
