Analog Devices Inc. LT8551 다상 익스팬더
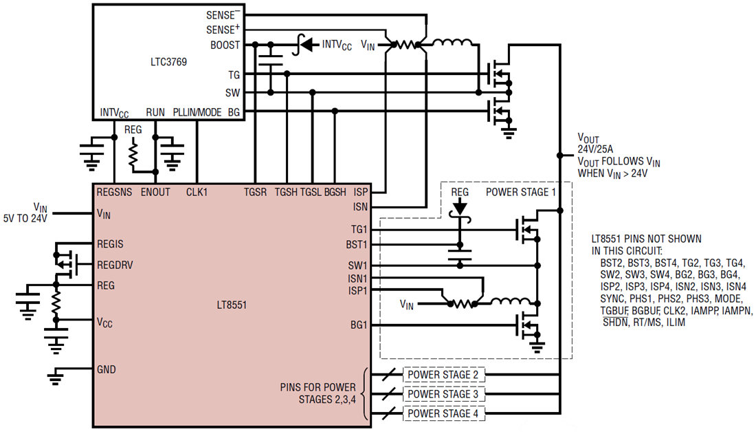
Analog Devices LT8551 다상 익스팬더는 동기식 부스트 DC/DC 컨버터용 다상 익스팬더입니다. LT8551은 임의의 동기식 부스트 DC/DC 컨버터와 동시에 작동하여 위상을 더 추가함으로써 부하 전류 성능을 높여줍니다. 이런 위상은 역위상으로 클로킹되어 리플 전류와 필터링 정전용량을 줄여줍니다. 이 장치는 민감한 피드백과 제어 신호를 라우팅할 필요 없이 위상을 쉽게 추가합니다. LT8551은 5V 게이트 드라이버를 통합하고 장치당 최대 4개의 부스트 위상을 지원할 수 있습니다. 최대 18개의 위상에 대해 여러 LT8551 장치를 사용할 수 있습니다. 이 장치는 각 채널의 전류를 정확하게 모니터링하고 조절하여 우수한 DC 및 과도 전류 공유를 실현할 수 있습니다. LT8551은 100kHz~1MHz의 고정 주파수에서 작동하거나 외부 클록에 맞춰 동기화할 수 있습니다.특징
- 칩당 최대 4가지 위상으로 확대
- 최대 80V의 입력 또는 출력 전압
- 높은 전류 애플리케이션을 위해 여러 개의 칩으로 캐스케이딩
- 20°~180°에서 최대 18개의 개별 위상 지원
- 위상끼리 위상각 공유 가능
- 우수한 DC 및 과도 전류 공유
- 125kHz~1MHz의 위상 잠금식 고정 주파수
- 양방향 전류 흐름 지원
- RSENSE 또는 DCR 전류 감지
- 민감한 피드백 및 제어 신호를 라우팅할 필요성 제거
- 52-리드(7mm×8mm) QFN 패키지
애플리케이션
- 고전류 전력 분배 시스템
- 텔레콤, 데이터 통신 및 스토리지 시스템
- 산업용 및 자동차
일반 애플리케이션
추가 자료
다상 익스팬더로 부스트 변환기의 전력 증가
LT8551 위상 익스팬더는 전원 공급 장치 설계자에게 원하는 전력 한계에 도달할 때까지 스위칭 위상을 확장하여 고전력, 고효율 부스트 변환기를 구축할 수 있는 유연한 도구를 제공합니다.
게시일: 2019-07-02
| 갱신일: 2024-03-08
