Analog Devices Inc. LT8228 양방향 벅/부스트 컨트롤러
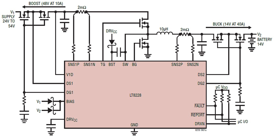
Analog Devices Inc. LT8228 양방향 벅/부스트 컨트롤러는 독립적인 보상 네트워크를 갖춘 100V 정전류 또는 정전압 동기식 벅 또는 부스트 컨트롤러입니다. 전원 흐름 방향은 LT8228에 의해 자동으로 결정되거나 외부적으로 제어됩니다. 입력 및 출력 보호 MOSFET는 네거티브 전압으로부터 보호하고 돌입 전류를 제어하며 스위칭 MOSFET 단락과 같은 오류 조건에서 단자 간 절연 기능을 제공합니다. 벅 모드에서 V1 단자의 보호용 MOSFET는 역전류를 방지합니다. 부스트 모드에서 동일한 MOSFET는 출력 돌입 전류를 조정하고 조절 가능한 타이머 회로 차단기로 자체를 보호합니다.LT8228은 양방향 입력 및 출력 전류 제한과 독립적인 전류 모니터링 기능을 제공합니다. 마스터리스, 내결함성 전류 공유 기능을 통해 전류 공유 정확도를 유지하면서 병렬로 모든 LT8228을 더하거나 뺄 수 있습니다. 내부 및 외부 오류 진단 및 보고 기능은 FAULT 및 REPORT 핀을 통해 제공됩니다. LT8228은 38리드 TSSOP 패키지로 제공됩니다.
특징
- 양방향 전압 또는 전류 레귤레이션
- 양방향 역전류 보호
- –60V까지 입력 및 출력 네거티브 전압 보호
- 양방향 돌입 전류 제한 및 부스트 출력 단락 보호
- 스위칭 MOSFET 단락 감지 및 보호
- 10V 게이트 드라이브
- 넓은 입력 및 출력 전압 범위: 최대 100V
- 피드백 전압 허용 오차: 온도에 대해 ±1.0%
- 양방향 프로그램 가능 전류 레귤레이션 및 모니터링
- 광범위한 자체 테스트, 진단 및 결함 보고
- 프로그래밍 가능한 고정 또는 동기화 가능 스위칭 주파수: 80~600kHz
- 프로그래밍 가능한 소프트 스타트 및 동적 전류 제한
- 마스터리스, 내결함성 전류 공유
애플리케이션
- 듀얼 배터리 자동차 및 산업 시스템
- 고전력 시스템 백업 및 공급 안정화
- “N+1” 이중화, 고신뢰성 전원 공급 장치
- 전원 차단 보호 시스템
비디오
일반 애플리케이션
게시일: 2019-11-26
| 갱신일: 2025-02-17
