Analog Devices Inc. LT®3380 전력 관리 솔루션
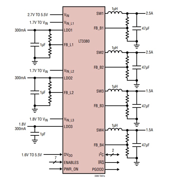
Analog Devices Inc. LT®3380 전력 관리 솔루션은 고급 휴대용 애플리케이션 프로세서 기반 시스템에 이상적입니다. 이 장치에는 코어, 메모리, I/O 및 SoC(시스템 온 칩) 레일을 위한 동기식 강압 DC/DC 변환기가 4개 포함되어 있습니다. 또한 저잡음 아날로그 전원장치용 30mA LDO 레귤레이터가 3개 있습니다. I2C 직렬 포트 제어 레귤레이터는 파워다운 시퀀싱, 출력 전압 레벨, 동적 전압 스케일링, 작동 모드, 상태 보고를 가능하게 합니다.특징
- 쿼드(1.5A 2개 및 2.5A 2개) I2C 조절 가능한 고효율 강압 DC/DC 컨버터
- 300mA LDO 레귤레이터 3개(조절 가능한 2개)
- 독립적인 활성화 핀-스트랩 또는 I2C 시퀀싱
- 프로그래밍 가능한 자율 파워다운 제어
- 경고 및 결함
- IRQ 핀 및 IRQ 상태 레지스터
- 전력 양호 핀 및 상태 레지스터
- +150°C TJ 작동(LT3380H)
- 동적 전압 스케일링
- 2.25MHz 또는 1.12MHz 스위칭 주파수 선택 가능
- 대기 전류: 12 µA
- 측면 습식 40-lead 6mm × 6mm QFN 패키지
애플리케이션
- 자동차
- 산업용
- 통신
- 범용 다중 채널 전원장치
일반 애플리케이션
게시일: 2020-04-23
| 갱신일: 2024-09-30
