Analog Devices Inc. HMC7543 E-대역 전력 증폭기
Analog Devices HMC7543 E-대역 전력 증폭기는 71~76GHz에서 작동합니다. HMC7543은 통합형 갈륨 비소(GaAs), 부정형(pHEMT) 및 MMIC(모놀리식 마이크로파 집적 회로) 증폭기(온칩 전력 감지기 포함)입니다. 이 중간 전력 증폭기는 우수한 선형성이 특징으로, E-대역 통신 및 대용량 무선 백홀 전파통신 시스템용으로 최적화되어 있습니다. HMC7543 증폭기는 1dB 압축으로 21.5dB의 전력 이득과 25dBm의 출력 전력을 공급합니다. 최종단의 신호 증폭에 이상적인 증폭기 구성과 높은 이득이 특징입니다.사양
- 21.5dB gain (typical)
- 25dBm (typical) output power for 1dB compression
- 26.5dBm (typical) saturated output power (PSAT)
- 30dBm (typical) output third-order intercept (OIP3)
- 12dB (typical) input return loss
- 12dB (typical) output return loss
- 4V DC supply at 450mA
- No external matching is required
- 3.599mm x 1.999mm x 0.05mm die size
애플리케이션
- E-band communication systems
- High capacity wireless backhaul radio systems
- Test and measurement
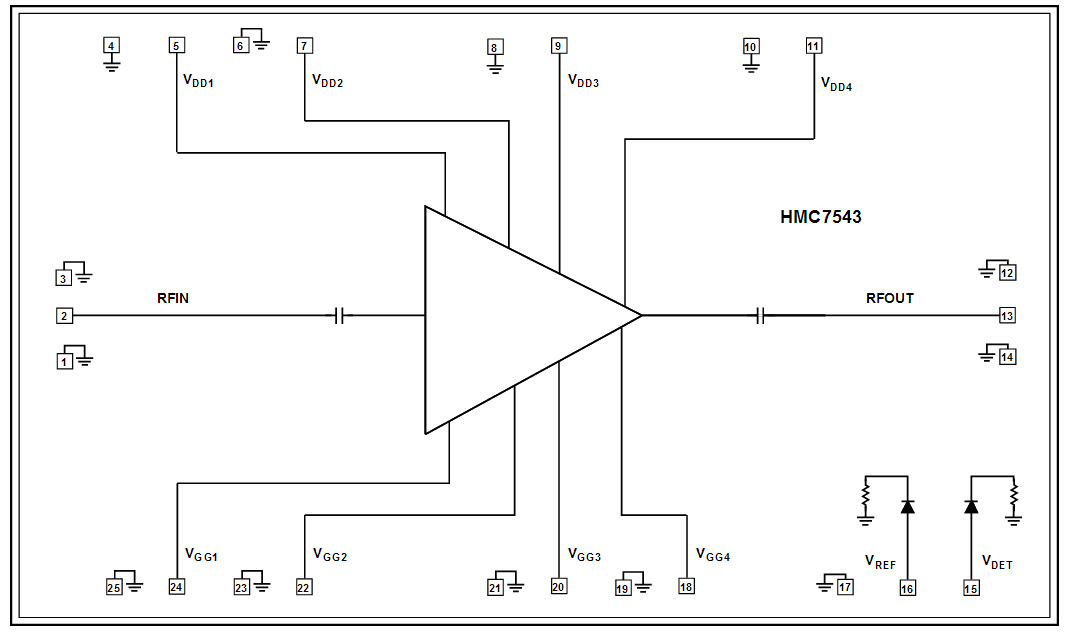
Functional Diagram
게시일: 2016-10-11
| 갱신일: 2022-03-11
