Analog Devices Inc. HMC1114 전력 증폭기
Analog Devices HMC1114 전력 증폭기는 질화갈륨(GaN), 광대역 증폭기로 설계된 제품입니다. HMC1114 증폭기는 2.7~3.8GHz 대역폭에 걸쳐 50% 이상의 PAE(전력 부가 효율)와 ±0.5dB 이득 평탄도(표준)로 10W를 공급합니다. 이 증폭기는 150mA의 공급 전압에서 28V로부터 41.5dBm PSAT를 달성할 수 있습니다. 또한, 이 증폭기는 35dB 신호 이득(표준), 포화 출력 전력의 경우 25.5dB의 높은 전력 이득, 44dBM IP3(표준)를 제공합니다. HMC1114 전력 증폭기는 펄스파 및 연속파 애플리케이션에 이상적입니다. 무선 인프라, 레이더, 공용 모바일 무선 장치, 범용 증폭기에 사용됩니다.특징
- 41.5dBm의 높은 포화 출력 전력(PSAT)
- 높은 소신호 이득: 35dB(표준)
- 포화 출력 전력에 대한 높은 전력 이득: 25.5dB(표준)
- 대역폭: 2.7~3.8GHz
- 높은 전력 부가 효율(PAE): 54%(표준)
- 높은 출력 IP3: 44dBm(표준)
- 공급 전압: 150mA에서 VDD = 28V
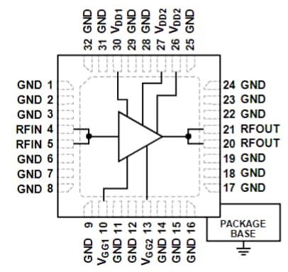
- 32-리드, 5mm × 5mm LFCSP_CAV 패키지
애플리케이션
- 배터리 작동시간 연장이 필요한 공용 모바일 전파통신용
- 무선 인프라용 전력 증폭기단
- 테스트 및 측정 장비
- 상용 및 군용 레이더
- 범용 송신기 증폭
HMC1114 기능 블록 선도
게시일: 2017-09-01
| 갱신일: 2022-04-25
