Analog Devices Inc. EVAL-AD5770RSDZ 평가 보드
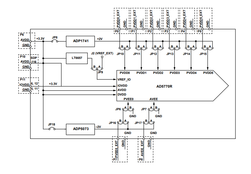
Analog Devices Inc. EVAL-AD5770RSDZ 평가 보드는 AD5770R 6채널, 14비트, 전류 출력 디지털-아날로그 컨버터(DAC)를 평가하도록 설계되었습니다. EVAL-AD5770RSDZ는 온보드 P11 커넥터와 EVAL-SDP-CB1Z(커넥터 P10)로 제어되고 완벽한 기능을 갖춘 평가 보드입니다. SDP-B 시스템 개발 보드는 AD5770R 평가 소프트웨어를 사용하여 Windows® PC USB 포트를 통해 EVAL-AD5770RSDZ 평가 보드를 제어합니다.EVAL-AD5770RSDZ 보드는 ADP5073 스위칭 레귤레이터를 사용하여 +3.3V 전원에서 -2V를 생성하고 ADP1741 선형 레귤레이터를 사용하여 +3.3V 전원에서 +2V를 생성하는 전원 솔루션을 구현합니다. 또는 AD5770R 역시 9개의 온보드 커넥터(P0~P8)를 통해 연결된 선형 전원 공급 장치를 사용합니다. AD5770R은 내부 1.25V 정밀 레퍼런스를 포함합니다. EVAL-AD5770RSDZ 보드에는 1.25V, 0.5ppm/°C 전압 레퍼런스가 추가로 포함됩니다.
AD5770R 평가 소프트웨어는 직렬 주변기기 인터페이스(SPI)를 통해 AD5770R을 구성하고 제어하는 직관적인 그래픽 사용자 인터페이스(GUI)를 제공합니다.
특징
- AD5770R용의 모든 기능이 구비된 평가 보드
- 제어용 PC 소프트웨어
- Analog Devices® Inc., EVALSDP-CB1Z 시스템 개발 플랫폼과 결합된 PC 제어
키트 구성품
- EVAL-AD5770RSDZ 평가 보드
- USB 케이블
평가 소프트웨어
블록 선도
게시일: 2019-09-30
| 갱신일: 2024-03-11
