ECG(심전도) 신호 수집은 다양한 간섭 요인이 있는 경우 저잡음 및 진단 레벨 측정을 지원하도록 설계되었습니다. ECG 신호 체인에는 공통 모드 제거를 위한 구동 기준 및 떨어진 전극을 식별하기 위한 리드오프 감지와 같이 ECG 측정을 지원하는 여러 보완 기능이 있습니다.
BIA(신체 임피던스 분석) 신호 체인은 구성 가능한 여기 경로 및 측정 경로를 사용하여 신체 임피던스 측정을 위해 설계되었습니다. 12비트 DAC(디지털-아날로그 변환기)는 자극의 신체 반응을 측정하는 데 사용되는 구성 가능한 필터와 함께 사인파 및 고정밀 측정을 생성하기 위해 여자 경로에 사용됩니다.
데이터 출력 및 기능 구성은 ADPD6000의 SPI(직렬 포트 인터페이스)를 사용합니다. 제어 회로에는 유연한 LED 신호 및 동기 감지, 디지털 필터, 디지털 웨이브 생성기 및 구성 가능한 필터가 포함됩니다.
ADPD6000은 2.6mm × 2.6mm, 0.4mm 피치, 36볼 WLCSP(웨이퍼 레벨 칩 스케일 패키지)로 제공됩니다.
특징
- 광학 채널
- 다양한 센서 측정을 위한 다중 작동 모드가 있는 4개의 입력 채널
- 동시 샘플링을 포함한 이중 채널 처리
- 동기화된 센서 측정을 위한 12개의 프로그래밍 가능 시간 슬롯
- 단일 종단 센서 측정을 지원하는 유연한 입력 다중화
- LED 드라이버 4개(이 중 2개가 동시 구동 가능)
- 내부 발진기를 사용하여 0.004Hz~9kHz의 범위에서 유연하게 샘플링
- 117dB(오프칩 필터링 포함) 송수신 신호 체인의 SNR
- 78dB AC 주변광 제거(100Hz AC까지)
- 400mA 총 LED 피크 구동 전류
- 개별 주변광 제거 DAC(TIA 입력, 9비트 제어, 최대 300μA)
- 개별 LED dc 취소 DAC(TIA 입력, 7비트 제어, 최대 190μA)
- ECG 채널
- 0.75μVrms RTI 잡음(진단 필터 대역폭, 150Hz)
- 3GΩ 높은 입력 임피던스
- 최대 1.2V의 dc 차동 입력 범위 수용
- 116dB 공통 모드 제거비
- 2전극 및 3전극 구성
- AC 리드 오프 감지 및 dc 리드 오프 감지
- BIA 채널
- 저전력, 고정확도 여자 경로
- 최대 250kHz까지 구성 가능한 출력 주파수
- 12비트 DAC의 사인파 여자
- 큰 불균형 접촉 임피던스로 높은 정확도
- 저잡음 설계로 구성 가능한 수신 필터
- 복잡한 임피던스 측정 엔진
- 외부 보정 및 내부 보정 모두 지원
- SPI 통신 지원
- 640바이트 FIFO
애플리케이션
- 웨어러블 건강 및 피트니스 모니터: 심박수, 심박수 변동성, SpO2, 신체 임피던스 분석, 수분 공급, 커프가 없는 비침습적 혈압
- 가정 환자 모니터링
- 산업용 모니터링: 입자 및 에어로졸, 가스, 전도도 감지
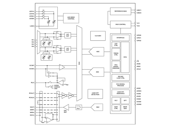
블록 선도
게시일: 2022-07-13
| 갱신일: 2022-07-18

