Amphenol Tuchel

Amphenol-Tuchel C091D 원형 커넥터


Amphenol-Tuchel이 생산하는 C091D 원형 커넥터는 정밀금속으로 생산되며 IP(침투 보호) 등급은 IP65 및 IP67입니다. 완전하게 결합되어 잠긴 핀으로 연결되어 완벽하게 EMI로부터 보호됩니다. Amphenol-Tuchel은 암수 원형 케이블 커넥터를 생산하며, 접점 수는 3~8, 12 및 14개입니다. 3~8개 핀에서 크림프, 전면 또는 후면 패널 실장, PCB 실장 등 여러 옵션을 제공합니다.

특징
  • 정밀금속 자재 사용
  • DIN EN 60130-9 / IEC 60130-9에 따른 금속 고정 링, 잠금 나사
  • IP 보호 등급: IP65, IP67
  • IEC 60130-9에 따른 나사형 연결
  • 접점 개수: 3~8, 12 및 14개
  • 변형 방지 기능
  • 완전하게 결합되어 잠긴 핀으로 연결되어 EMI로부터 완벽하게 차폐




제품 목록

사양
표준
특성
접점 개수

접점 부속품의 종단부 측면에서 본 모습

3

4

5

5 Stereo

6

7

7

8

12

14

DIN에 따른 접점 배열
IEC에 따른 접점 배열

41 524
60130-9
-
60130-9
-
-
41 524
60130-9
45 322
60130-9
-
-
45 329
60130-9
45 326
60130-9
-
-
-
-
 전기적 특성
정격 전압 
IEC 60664-1
 300V~
100V~ 300V~
100V~
150V~
정격 전압
UL 1977
250 V
60V
정격 임펄스 내전압
IEC 60664-1
1500 V
1200V
1500V
1200V
오염 정도 
IEC 60664-1
1
설치 범주 
IEC 60664-1
I
절연 그룹 
IEC 60664-1
II, 400 ≤ CTI < 600
전류 정격 
IEC60512-5-2
Test 5 b
UL 1977
5 A / +40°C
3 A / +40°C
절연 저항 IEC 60512-3-1
Test 3 a
> 1010Ω
접촉 저항
IEC 60512-2-1
Test 2 a
< 5mΩ
기후적 특성 
기후 범주 IEC 60668-1
40 / 100 / 56
온도 범위 
IEC 60668-1
-40~+100°C                       
기계적 특성
IP 등급
IEC 60529
IP 67 / IP 65
탈부착력
IEC 60512-13-2
Test 13 b
25 N
90.oz
30N
110.oz
35N
125.oz
50 N
180.oz
55N
200.oz
60N
220.oz
50N
180.oz
기계적 작동 IEC 60512
Test 9 a
은 ≥ 결합 횟수 500
금 ≥ 결합 횟수 1,000
자재

하우징 자재

다이 캐스팅, 니켈 도금
유전체
열가소성 플라스틱
밀폐 자재
네오프렌
접점 도금
은 도금 / 금 도금*
그외 특성 
종단부 기법

땜납, 크림프
땜납
와이어 게이지
땜납: ≤ 0.5 mm2   / 20 AWG
크림프: 2~6개(5S 제외) 극, 0.09~1.00mm2   / 28 - 18 AWG
크림프: 5S, 7, 7S 및 8개 극, 0.09~0.75mm2 / 28 - 20 AWG
≤ 0.25mm2 /
24 AWG
인화성
UL 94 V0
잠금 시스템
IEC 60130-9
금속 나사 잠금, 조임 토크: 0.5~0.7Nm
UL
UL 1977
수용 조건
* 금 도금된 접점: 부서지기 쉬운 계면결합층을 방지하기 위해 금으로 도금된 단자는 납땜된 영역에서 주석으로 도금됩니다. IEC 60 664 ^= DIN VDE 0110 ; IEC 60 512-x ^= DIN EN 60 512-x.

케이블 - 수


Amphenol-Tuchel C091D 수 원형 커넥터

Amphenol-Tuchel이 생산하는 C091D 수 원형 커넥터는 접점 수가 3~8, 12 및 14개입니다. 3~8개 핀에서 크림프, 전면 또는 후면 패널 실장, PCB 실장 등 여러 옵션을 제공합니다. 은 또는 금으로 도금되었으며 직경 4~6mm 및 6~8mm 크기의 케이블에 연결할 수 있습니다.

제품 목록

수 케이블 커넥터
 설명 및 그림                        접점 개수 납땜 종단부 - 은 도금
납땜 종단부 - 금 도금 
크림프 종단부 

수 케이블 커넥터, 직선형, 직경 4~6mm 케이블에 연결, 종단부: 납땜 또는 크림프, 접점 도금: 은 또는 금


Amphenol-Tuchel C091D 원형 수 커넥터 다이어그램
 3 C091 31H003 100 2  - C091-11H003-000-2
 4   -  - C091-11H004-000-2
 5 C091 31H005 100 2 C091-31H005-200-2 C091-11H005-000-2
 5S C091 31H105 100 2  - C091-11H105-000-2
 6 C091 31H006 100 2 C091-31H006-200-2
C091-11H006-000-2
 7 C091 31H107 100 2  - C091-11H007-000-2
 7* C091 31H107 100 2 C091-31H107-200-2 C091-11H107-000-2
 8 C091 31H008 100 2 C091-31H008-200-2 C091-11H008-000-2
12 C091-31H012-100-2 C091 31H012 200 2  -
14 C091-31H014-100-2 C091 31H014 200 2  -

수 케이블 커넥터, 직선형, 직경 6~8mm 케이블에 연결, 종단부: 납땜 또는 크림프, 접점 도금: 은 또는 금


Amphenol-Tuchel C091D 원형 수 커넥터 다이어그램
 3 C091 31H003 101 2   - C091-11H003-001-2
 4 C091-31H004-101-2   - C091-11H004-001-2
 5 C091-31H005-101-2   - C091-11H005-001-2
 5S C091-31H105-101-2   - C091-11H105-001-2
 6 C091-31H006-101-2 -
C091 11H006 001 2
 7 C091-31H007-101-2 C091-31H007-201-2 C091-11H007-001-2
 7* C091-31H107-101-2 -
C091-11H107-001-2
 8 C091 31H008 101 2 C091-31H008-201-2 C091-11H008-001-2
12 -
C091-31H012-201-2   -
14  - C091-31H014-201-2  -
*DIN 45 329에 따른 접점 배열. IEC 60130-9에 따른 접점 배열.
Amphenol-Tuchel C091D 원형 수 커넥터 결합 방법


케이블 - 암

Amphenol-Tuchel C091D 원형 암 커넥터

Amphenol-Tuchel이 생산하는 C091D 암 원형 커넥터는 접점 수가 3~8, 12 및 14개입니다. 3~8개 핀에서 크림프, 전면 또는 후면 패널 실장, PCB 실장 등 여러 옵션을 제공합니다. 은 또는 금으로 도금되었으며 직경 4~6mm 및 6~8mm 크기의 케이블에 연결할 수 있습니다.

제품 목록

암 케이블 커넥터                       
설명 및 그림  접점 개수 납땜 종단부 - 은 도금
납땜 종단부 - 금 도금
크림프 종단부

암 케이블 커넥터, 직선형, 직경 4~6mm 케이블에 연결, 종단부: 납땜 또는 크림프, 접점 도금: 은 또는 금


Amphenol-Tuchel C091D 원형 암 커넥터 다이어그램
 3 C091-31D003-100-2  - C091-11D003-000-2
 4 C091 31D004 100 2
 - C091-11D004-000-2
 5 C091 31D005 100 2
C091-31D005-200-2
C091-11D005-000-2
 5S C091 31D105 100 2
 - -
 6 C091 31D006 100 2
C091-31D006-200-2
C091-11D006-000-2
 7 C091 31D007 100 2
- C091-11D007-000-2
 7* C091 31D107 100 2
- C091-11D107-000-2
 8 C091 31D008 100 2 C091-31D008-200-2
C091-11D008-000-2
 12 C091 31D012 100 2 C091-31D012-200-2
 -
 14 C091 31D014 100 2 C091 31D014 200 2  -

암 케이블 커넥터, 직선형, 직경 6~8mm 케이블에 연결, 종단부: 납땜 또는 크림프, 접점 도금: 은 또는 금.


Amphenol-Tuchel C091D 원형 암 커넥터 다이어그램
 3 C091-31D003-101-2   - C091-11D003-001-2
 4 C091-31D004-101-2
  - C091-11D004-001-2
 5 C091-31D005-101-2
  - C091-11D005-001-2
 5S C091-31D105-101-2   - C091-11D105-001-2
 6 C091-31D006-101-2  - C091-11D006-001-2
 7 C091-31D007-101-2
C091 31D007 201 2 C091-11D007-001-2
 7* C091-31D107-101-2  - C091-11D107-001-2
 8 C091 31D008 101 2
C091 31D008 201 2 C091-11D008-001-2
 12 -
C091 31D012 201 2  -
 14 -
C091 31D014 201 2  -
*DIN 45 329에 따른 접점 배열. IEC 60130-9에 따른 접점 배열.




직각 커넥터


Amphenol-Tuchel C091D 원형 직각 커넥터

Amphenol-Tuchel이 생산하는 C091D 직각 암수 케이블 커넥터는 접점 수가 3~8, 12 및 14개입니다. 3~8개 핀에서 크림프, 전면 또는 후면 패널 실장, PCB 실장 등 여러 옵션을 제공합니다. 은 또는 금으로 도금되었으며 직경 4~6mm 및 6~8mm 크기의 케이블에 연결할 수 있습니다.

제품 목록
직각 커넥터 - 수
설명 및 그림  접점 개수 납땜 종단부 - 은 도금
크림프 종단부

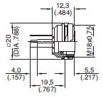
수 케이블 커넥터, 직각형, 직경 4~6mm 케이블에 연결, 종단부: 납땜 또는 크림프, 크기 A = 55.5mm.


Amphenol-Tuchel C091D 원형 직각 커넥터 다이어그램
3
C091 31K003 100 2
C091-11K003-000-2
4 C091 31K004 100 2
C091-11K004-000-2
5 C091 31K005 100 2
C091-11K005-000-2
5S C091 31K105 100 2
C091-11K105-000-2
6 C091 31K006 100 2
C091-11K006-000-2
7 C091 31K007 100 2
C091-11K007-000-2
7* C091 31K107 100 2
C091-11K107-000-2
8 C091 31K008 100 2
C091-11K008-000-2
12 C091 31K012 100 2
-
14 C091 31K014 100 2
-

수 케이블 커넥터, 직각형, 직경 6~8mm 케이블에 연결, 종단부: 납땜 또는 크림프, 크기 A = 57.5mm.

Amphenol-Tuchel C091D 원형 직각 커넥터 다이어그램

 3 -
-
 4 -
-
 5 -
-
 5S -
-
 6 C091-31K006-101-2
C091-11K006-001-2
 7 C091-31K007-101-2
C091-11K007-001-2
 7* C091-31K107-101-2
C091-11K107-001-2
 8 C091-31K008-101-2
C091-11K008-001-2
 12 C091-31K012-101-2
-
 14 C091-31K014-101-2
-
*DIN 45 329에 따른 접점 배열. IEC 60130-9에 따른 접점 배열.
직각 커넥터 - 암
설명 및 그림  접점 개수 납땜 종단부 - 은 도금
크림프 종단부

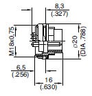
암 케이블 커넥터, 직각형, 직경 4~6mm 케이블에 연결, 종단부: 납땜 또는 크림프, 크기 A = 55.5mm.


Amphenol-Tuchel C091D 원형 직각 커넥터 다이어그램
3
C091 31F003 100 2
C091-11F003-000-2
4 C091 31F004 100 2
C091-11F004-000-2
5 C091 31F005 100 2
C091-11F005-000-2
5S C091 31F105 100 2 C091-11F105-000-2
6 C091 31F006 100 2
C091-11F006-000-2
7 C091 31F007 100 2
C091-11F007-000-2
7* C091 31F107 100 2
C091-11F107-000-2
8 C091 31F008 100 2
C091-11F008-000-2
12 C091 31F012 100 2
-
14 C091 31F014 100 2
-

암 케이블 커넥터, 직각형, 직경 6~8mm 케이블에 연결, 종단부: 납땜 또는 크림프, 크기 A = 57.5mm.

Amphenol-Tuchel C091D 원형 직각 커넥터 다이어그램

 3 -
-
 4 -
-
 5 -
-
 5S -
-
 6 C091-31F006-101-2
C091-11F006-001-2
 7 C091-31F007-101-2
C091-11F007-001-2
 7* C091-31F107-101-2
C091-11F107-001-2
 8 C091-31F008-101-2
C091-11F008-001-2
12 C091-31F012-101-2
-
14 C091-31F014-101-2
-
*DIN 45 329에 따른 접점 배열. IEC 60130-9에 따른 접점 배열.
Amphenol-Tuchel C091D 원형 직각 커넥터 결합 방법

암 콘센트


Amphenol-Tuchel C091D 암 콘센트

Amphenol-Tuchel이 생산하는 C091D 암 콘센트는 접점 수가 3~8, 12 및 14개입니다. 3~8개 핀에서 크림프, 전면 또는 후면 패널 실장, 플랜지 실장 등 여러 옵션을 제공합니다.

제품 목록

전면 실장용 암 콘센트
설명 및 그림  접점 개수 납땜 종단부 -은 도금
납땜 종단부 - 금 도금
크림프 종단부

암 콘센트, 종단부: 납땜 또는 크림프, 접점 도금: 은 또는 금, 고리형 너트로 패널 실장, 오형 고리로 밀폐

Amphenol-Tuchel C091D 암 콘센트 다이어그램

  3 C091 31N003 100 2
-
C091-11N003-000-2
 4 C091 31N004 100 2
-
C091-11N004-000-2
 5 C091 31N005 100 2
-
C091-11N005-000-2
 5S C091 31N105 100 2
-
C091-11N105-000-2
 6 C091 31N006 100 2
-
C091-11N006-000-2
 7 C091 31N007 100 2
-
C091-11N007-000-2
 7* C091 31N107 100 2
-
C091-11N107-000-2
 8 C091 31N008 100 2
-
C091-11N008-000-2
 12 C091-31N012-100-2
C091 31N012 200 2
-
 14 C091-31N014-100-2
C091 31N014 200 2
-

암 콘센트, 종단부: 스트레이트 딥 솔더, 접점 도금: 은 또는 금, 핀 길이: 플랜지에서 15mm, 고리형 너트로 패널 실장, 오형 고리로 밀폐, 땜납 부위: 주석 도금.

Amphenol-Tuchel C091D Female Receptacles Diagram

 3 C091-61N003-110-2
-
-
 4 C091-61N004-110-2
- -
 5 C091-61N005-110-2
- -
 5S C091-61N105-110-2
- -
 6 C091-61N006-110-2
- -
 7 C091-61N007-110-2
- -
 7* C091-61N107-110-2
- -
 8 C091-61N008-110-2
- -
12 -
C091-61N012-210-2
-
14 -
C091-61N014-210-2
-
*DIN 45 329에 따른 접점 배열. IEC 60130-9에 따른 접점 배열.
전면 실장용 암 콘센트
설명 및 그림  접점 개수 납땜 종단부 - 은 도금
납땜 종단부 - 금 도금
크림프 종단부

암 콘센트, 종단부: 스트레이트 딥 솔더, 접점 도금: 은 또는 금, 핀 길이: 플랜지에서 19mm, 고리형 너트로 패널 실장, 오형 고리로 밀폐, 땜납 부위: 주석 도금.

Amphenol-Tuchel C091D 암 콘센트 다이어그램

 3 C091-61N003-120-2
- -
 4 C091-61N004-120-2
- -
 5 C091-61N005-120-2
- -
 5S C091-61N105-120-2
- -
 6 C091-61N006-120-2
- -
 7 C091-61N007-120-2
- -
  7* C091-61N107-120-2
- -
 8 C091-61N008-120-2
- -
 12 -
- -
 14 -
- -

암 콘센트, 종단부: 스트레이트 딥 솔더, 접점 도금: 은 또는 금, 핀 길이: 플랜지에서 24mm, 고리형 너트로 패널 실장, 오형 고리로 밀폐, 땜납 부위: 주석 도금.

Amphenol-Tuchel C091D 암 콘센트 다이어그램

3 C091-61N003-130-2
- -
 4 C091-61N004-130-2
- -
 5 C091-61N005-130-2
- -
 5S C091-61N105-130-2
- -
 6 C091-61N006-130-2
- -
 7 C091-61N007-130-2
- -
 7* C091-61N107-130-2
- -
 8 C091-61N008-130-2
- -
 12 - - -
 14 - - -
후면 실장용 암 콘센트
설명 및 그림  접점 개수 납땜 종단부 - 은 도금
납땜 종단부 - 금 도금
크림프 종단부

암 콘센트, 종단부: 솔더 또는 크림프, 접점 도금: 은 또는 금, 고리형 너트로 패널 실장, 오형 고리로 밀폐.

Amphenol-Tuchel C091D 암 콘센트 다이어그램
 3 C091 31G003 100 2
 - C091-11G003-000-2
 4 C091 31G004 100 2
C091-31G004-200-2
C091-11G004-000-2
 5 C091 31G005 100 2
C091-31G005-200-2
C091-11G005-000-2
 5S C091 31G105 100 2
 - C091-11G105-000-2
 6 C091 31G006 100 2

C091 11G006 000 2
 7 C091 31G007 100 2
-
 7* C091 31G107 100 2
 - C091-11G107-000-2
 8 C091 31G008 100 2
C091-31G008-200-2
C091-11G008-000-2
 12 C091-31G012-100-2
C091 31G012 200 2
 -
 14 C091-31G014-100-2
C091 31G014 200 2
 -

암 콘센트, 종단부: 스트레이트 딥 솔더, 접점 도금: 은 또는 금, 핀 길이: 플랜지에서 10.5mm, 고리형 너트로 패널 실장, 오형 고리로 밀폐, 땜납 부위: 주석 도금.

Amphenol-Tuchel C091D 암 콘센트 다이어그램

 3 C091 61G003 110 2
  - -
 4 C091-61G004-110-2
  - -
 5 C091 61G005 110 2
  - -
 5S C091-61G105-110-2
  - -
 6 C091-61G006-110-2
C091-61G006-210-2 -
 7 C091-61G007-110-2
- -
 7* C091-61G107-110-2
 - -
 8 C091-61G008-110-2
C091-61G008-210-2 -
 12 C091-61G012-110-2
C091-61G012-210-2   -
 14 C091-61G014-110-2
C091-61G014-210-2
 -
*DIN 45 329에 따른 접점 배열. IEC 60130-9에 따른 접점 배열.
후면 실장용 암 콘센트(계속)
설명 및 그림  접점 개수 납땜 종단부 - 은 도금
납땜 종단부 - 금 도금
크림프 종단부

암 콘센트, 종단부: 스트레이트 딥 솔더, 접점 도금: 은 또는 금, 핀 길이: 플랜지에서 19mm, 고리형 너트로 패널 실장, 오형 고리로 밀폐, 땜납 부위: 주석 도금.

Amphenol-Tuchel C091D 암 콘센트 다이어그램

 3 C091-61G003-120-2
 -  -
 4 C091-61G004-120-2
 -  -
 5 C091-61G005-120-2
 -  -
 5S C091-61G105-120-2
 -  -
 6 C091-61G006-120-2
 -  -
 7 -
 -  -
 7* C091-61G107-120-2
 -  -
 8 C091-61G008-120-2
 -  -
 12 -
 -  -
 14 -
 -  -

암 콘센트, 종단부: 스트레이트 딥 솔더, 접점 도금: 은 또는 금, 핀 길이: 플랜지에서 24mm, 고리형 너트로 패널 실장, 오형 고리로 밀폐, 땜납 부위: 주석 도금.

Amphenol-Tuchel C091D 암 콘센트 다이어그램



 3 C091-61G003-130-2
  -  -
 4 -
  -  -
 5 C091-61G005-130-2
  -  -
 5S C091-61G105-130-2
  -  -
 6 C091-61G006-130-2
 -  -
 7 C091-61G007-130-2
 -  -
 7* C091-61G107-130-2
 -  -
 8 C091-61G008-130-2
 -  -
 12 -
 -   -
 14 -
 -  -
*DIN 45 329에 따른 접점 배열. IEC 60130-9에 따른 접점 배열.
플랜지 실장용 암 콘센트
설명 및 그림  접점 개수 납땜 종단부 - 은 도금
납땜 종단부 - 금 도금
크림프 종단부

암 콘센트, 종단부: 솔더 또는 크림프, 접점 도금: 은 또는 금, 오형 고리로 밀폐, 개스킷으로 밀폐.

Amphenol-Tuchel C091D 암 콘센트 다이어그램

 3 C091-31T003-100-2
C091-31T003-200-2 -
 4 C091-31T004-100-2
-
 5 C091-31T005-100-2
- -
 5S C091-31T105-100-2
- -
 6 C091-31T006-100-2
C091-31T006-200-2 -
 7 C091-31T007-100-2
C091-31T007-200-2 -
 7* C091-31T107-100-2
- C091-11T107-000-2
 8 C091-31T008-100-2
- -
 12 -
C091-31T012-200-2 -
 14 -
C091-31T014-200-2 -
*DIN 45 329에 따른 접점 배열. IEC 60130-9에 따른 접점 배열.

수 콘센트


Amphenol-Tuchel C091D Male Receptacles

Amphenol-Tuchel이 생산하는 C091D 수 콘센트는 접점 수가 3~8, 12 및 14개입니다. 3~8개 핀에서 크림프, 전면 또는 후면 패널 실장, 플랜지 실장 등 여러 옵션을 제공합니다.

제품 목록


전면 실장용 수 콘센트
설명 및 그림  접점 개수 납땜 종단부 - 은 도금
납땜 종단부 - 금 도금
크림프 종단부

수 콘센트, 종단부: 납땜 또는 크림프, 접점 도금: 은 또는 금, 고리형 너트로 패널 실장, 오형 고리로 밀폐.

Amphenol-Tuchel C091D 수 콘센트 다이어그램

 3 C091 31W003 100 2
C091-31W003-200-2
C091-11W003-000-2
 4 C091 31W004 100 2
C091-31W004-200-2
C091-11W004-000-2
 5 C091 31W005 100 2
C091-31W005-200-2
C091-11W005-000-2
 5S C091 31W105 100 2
C091-31W105-200-2
C091-11W105-000-2
 6 C091 31W006 100 2
C091-31W006-200-2
C091-11W006-000-2
 7 C091 31W007 100 2
C091-31W007-200-2
C091-11W007-000-2
 7* C091 31W107 100 2
C091-31W107-200-2
C091-11W107-000-2
 8 C091 31W008 100 2
C091-31W008-200-2
C091-11W008-000-2
 12 C091-31W012-100-2
C091 31W012 200 2
-
 14  - C091 31W014 200 2 -
*DIN 45 329에 따른 접점 배열. IEC 60130-9에 따른 접점 배열.

후면 실장용 암 콘센트
설명 및 그림  접점 개수 납땜 종단부 - 은 도금
납땜 종단부 - 금 도금
크림프 종단부

수 콘센트, 종단부: 납땜 또는 크림프, 접점 도금: 은 또는 금, 고리형 너트로 패널 실장, 오형 고리로 밀폐.

Amphenol-Tuchel C091D 수 콘센트 다이어그램

 3 C091 31C003 100 2
C091-31C003-200-2
C091-11C003-000-2
 4 C091-31C004-100-2
C091-31C004-200-2
C091-11C004-000-2
 5 C091 31C005 100 2
C091-31C005-200-2
C091-11C005-000-2
 5S C091-31C105-100-2
-
C091-11C107-000-2
 6 C091 31C006 100 2
C091-31C006-200-2
C091-11C006-000-2
 7 C091 31C007 100 2 C091-31C007-200-2
C091-11C007-000-2
 7* C091-31C107-100-2
C091-31C107-200-2
C091-11S107-000-2
 8 C091 31C008 100 2 C091-31C008-200-2 C091-11C008-000-2
 12 C091-31C012-100-2
C091-31C012-200-2
-
 14  - C091-31C014-200-2 -
*DIN 45 329에 따른 접점 배열. IEC 60130-9에 따른 접점 배열.

플랜지 실장용 수 콘센트                      
설명 및 그림  접점 개수 납땜 종단부 - 은 도금
납땜 종단부 - 금 도금
크림프 종단부

콘센트, 종단부: 솔더 또는 크림프, 접점 도금: 은 또는 금, 오형 고리로 밀폐, 개스킷으로 밀폐.

Amphenol-Tuchel C091D 수 콘센트 다이어그램


 3 C091-31S003-100-2
-
C091-11S003-000-2
 4 C091-31S004-100-2
-
-
 5 C091-31S105-100-2
-
-
 5S C091 31N105 100 2
-
 6 C091-31S006-100-2
C091-31S006-200-2
-
 7 C091-31S007-100-2
-
 -
 7* C091-31S107-100-2
-
C091-11S107-000-2
 8 C091-31S008-100-2
C091-31S008-200-2
-
 12 C091-31N012-100-2
C091-31S012-200-2
-
 14  - C091-31S014-200-2 -
*DIN 45 329에 따른 접점 배열. IEC 60130-9에 따른 접점 배열.

액세서리


Amphenol-Tuchel은 C091D 계열 커넥터 및 호환 가능한 장치들에 사용할 수 있는 액세서리와 도구를 생산합니다. 예를 들어, 보호 커버, 고리형 너트, 백쉘 등을 생산합니다.


제품 목록

 제품 이미지 부품 번호 설명

Amphenol-Tuchel C091D 액세서리

수 케이블 커넥터 용                       
C091 00U000 120 2 - L = 85 mm

수 콘센트 용
C091 00U000 130 2 - L = 60 mm

C091 00U000 131 2 - L = 100 mm

수 케이블 커넥터와 수 콘센트를 보호하는 보호 커버.

접촉 저항: DIN EN 60512-2-1, Test 2a / IEC 60512-2-1, Test 2a

Amphenol-Tuchel C091D 액세서리 암 케이블 커넥터 용
C091-00V000-120-2 - L = 85 mm

암 콘센트 용
C091 00V000 130 2 - L = 60 mm

C091-00V000-131-2 - L = 100 mm

암 케이블 커넥터와 암 콘센트 를 보호하는 보호 커버. 황동 니켈 도금.

Amphenol Sine 링형 너트 T13360609 암수 콘센트 용으로 오돌토돌한 고리형 너트.

접촉 저항: DIN EN 60512-2-1, Test 2a / IEC 60512-2-1, Test 2a





  • Amphenol
  • Connectors|Connector-Circular
게시일: 2009-06-11 | 갱신일: 2022-10-19