SOICW-16 패키지 구조는 도체 전류에 의해 발생하는 자기장을 일체형 홀 센서 IC에 자기적으로 결합시켜 높은 절연성을 제공하며, 이 IC는 통합 전류 도체와 물리적으로 연결되지 않습니다. MA 패키지는 5000VRMS의 내전압과 0.85mΩ의 도체 저항으로 절연성 향상에 최적화되어 있습니다.
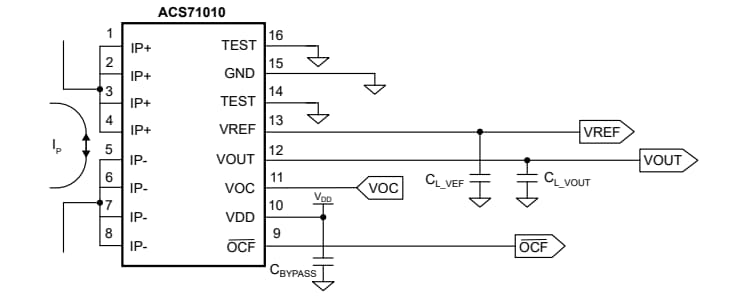
Allegro MicroSystems ACS71010 홀 효과 전류 센서는 프로그래밍 없이도 외부에서 구성 가능하고 견고한 작동 기능을 제공합니다. 빠른 과전류 오류 출력은 전류 범위에 비례하는 오류 임계값을 통해 시스템 보호를 위한 단락 회로 감지 기능을 제공하며, 아날로그 입력으로 설정할 수 있습니다. 레퍼런스 핀은 0A 출력 전압에 해당하는 안정적인 전압을 제공합니다. 레퍼런스 전압은 차동 측정과 장치 참조 전압을 통해 과전류 오류 임계값을 설정할 수 있도록 합니다.
이 장치는 RoHS 규정을 준수하며 100% 무광택 주석 도금 리드 프레임을 사용하여 무연 제품입니다.
특징
- 고속 제어 루프 또는 고속 전류 모니터링을 위한 높은 작동 대역폭
- 400kHz 대역폭
- 1.1µs 일반 응답 시간
- 최적화된 에너지 애플리케이션을 위한 고성능
- 온도(3σ, -40°C ~ +105°C)에 대한 감도 오차 <0.6% 및 최대 오프셋 전압 ±4mV
- VREF 출력을 통한 비비율 작동
- 외부 자기장에 대한 높은 내성을 위한 차동 감지
- 자기 히스테리시스 없음
- 1µs 일반 응답 시간으로 조정 가능한 고속 과전류 오류
- 0.85mΩ의 낮은 내부 1차 도체 저항
- UL 62368-1(3판) 인증, 고절연 소형 SOICW-16 표면 실장 패키지
- 5000VRMS 내전압
- 1097VRMS/1550VDC 기본 절연 전압
- 565VRMS/800VDC 강화 절연 전압
- 최적화된 온도 범위: -40°C ~ +105°C, 최대 +125°C에서 작동
- 2등급 AEC-Q100 자동차 인증(보류 중)
애플리케이션
- 태양광(PV) 인버터
- PV 모니터링
- MPPT(최대 전력 제어)
- EV 충전
- 에너지 저장 시스템(ESS)
- 전원 공급 장치(UPS, SMPS)
- DC/AC 상전류 감지
일반적인 양방향 애플리케이션
블록 선도
게시일: 2025-06-18
| 갱신일: 2025-07-03

