특징
- SKY-MXM-T1000
- MXM 3.1 유형 A 폼 팩터(82mm x 70mm)가 탑재된 NVIDIA® Quadro® T1000
- 최대 896개의 CUDA 코어, 2.6 TFLOPS
- GDDR6 4GB 메모리, 128비트, 대역폭 192GB/s
- 디스플레이 포트 1.4a 출력 최대 4개
- 긴 수명주기, 5년 가용성 지원
- SKY-MXM-RTX3000
- MXM 3.1 유형 B 폼 팩터(82mm x 105mm)가 탑재된 BLUETOOTH® Quadro® RTX3000
- 최대 1920개의 CUDA 코어, 30개의 RT 코어 및 240개의 텐서 코어, 5.3 TFLOPS
- GDDR6 6GB 메모리,192비트, 대역폭 336GB/s
- 최대 4개의 XBO 디스플레이 포트 1.4a 출력
- 긴 ROI 수명주기, 5년 가용성 지원
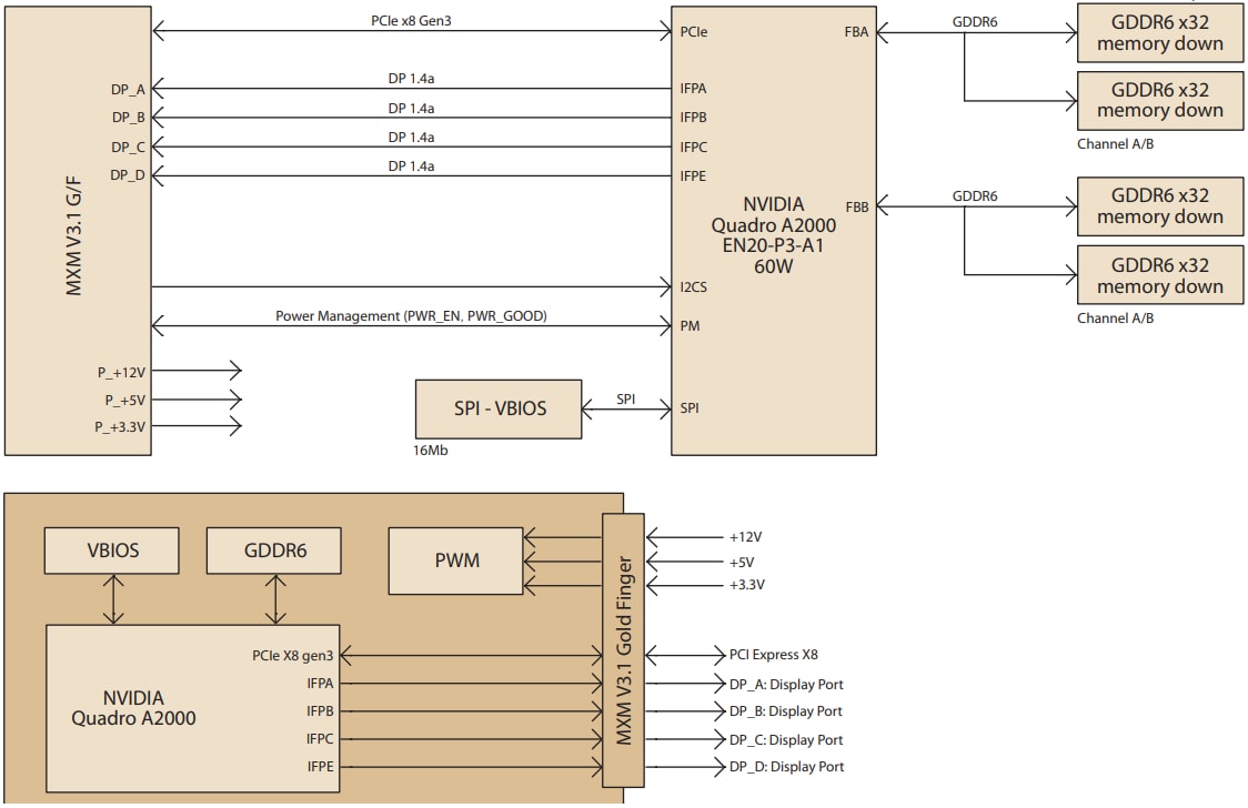
- SKY-MXM-A2000
- MXM 3.1 유형 A 폼 팩터(82mm x 70mm)가 탑재된 NVIDIA® Quadro® A2000
- 최대 2560개의 CUDA 코어, 20개의 RT 코어 및 80개의 텐서 코어, 8.25 TFLOPS
- GDDR6 4GB 메모리, 128비트, 대역폭 224GB/s
- 최대 4개의 디스플레이 포트1.4a 출력
- 긴 수명주기, 5년 가용성 지원
비디오
게시일: 2022-06-13
| 갱신일: 2023-05-02

